YTO LX604/LX654/LX704/LX754/LX804/LX904 Tractor Parts Catalogue 09

|
序号 No. |
零件名称 Part |
零件代号 DrawingNo. |
数量 Qty. |
序号 No. |
零件名称 Part |
零件代号 DrawingNo. |
数量 Qty. |
|
1 |
垫圈 8 |
GB/T93-1987 |
7 |
19 |
转向油箱总成环箍 24 转向器回油管总成(接油箱) 转向器回油管 转向器回油管接头总成矩形截面密封圈 21.2×26×2 转向器软管接头螺栓 M6×22 转向器软管接头支架合件 空心螺栓油管夹板 转向器软管总成软管 环箍 24 油泵进油管总成垫圈 16-Zn.D 螺栓 M16×80-Zn.D |
SZ804.40.056 |
1 |
|
2 |
油缸软管总成 |
SZ804.40.051A |
1 |
20 |
JB3616.1-84 |
4 |
|
|
SZ804.40.052A |
1 |
21 |
SZ700.40.017 |
1 |
|||
|
SZ804.40.061① |
2 |
||||||
|
3 |
空心螺栓 |
885105699/1.63 |
1 |
22 |
SZ804.40.507 |
1 |
|
|
4 |
矩形截面密封圈 |
JB982-77 |
2 |
23 |
885126687/1.63.824 |
1 |
|
|
18×24×1.5 |
24 |
44019496/1.63.898 |
10 |
||||
|
5 |
螺栓 M8×30-Zn.D |
GB/T5782-2000 |
4 |
||||
|
6 |
垫圈 8-Zn.D |
GB/T93-1987 |
4 |
25 |
885126686/1.63.877 |
2 |
|
|
7 |
油管夹子 |
4999554/1.63.583 |
1 |
26 |
GB/T5783-2000 |
3 |
|
|
8 |
油管支架 |
5149036/1.63.896 |
1 |
27 |
885126685/1.63.878 |
1 |
|
|
9 |
垫圈 6-Zn.D |
GB/T7244-1987 |
7 |
28 |
5149025/1.63.894 |
1 |
|
|
10 |
螺栓 M6×14 |
GB/T5783-2000 |
2 |
29 |
5112983/1.63.881 |
3 |
|
|
11 |
转向油箱支架合件 |
SZ804.40.054 |
1 |
30 |
880006302/1.63 |
1 |
|
|
12 |
垫圈 8-Zn.D |
GB/T97.1-2002 |
2 |
31 |
SZ804.40.053 |
3 |
|
|
13 |
垫圈 8-Zn.D |
GB/T93-1987 |
3 |
32 |
SZ804.40.505 |
2 |
|
|
14 |
螺栓 M8×20-Zn.D |
GB 5781-86 |
1 |
33 |
JB3616.1-84 |
4 |
|
|
15 |
螺母 M8-Zn.D |
GB/T6170-2000 |
1 |
34 |
SZ804.40.062 |
1 |
|
|
16 |
油泵出油管总成 |
8A5149054SZ/1.63.820 |
1 |
35 |
GB/T93-1987 |
1 |
|
|
17 |
右转向输油管总成 |
5149056/1.63.871 |
1 |
36 |
GB/T5782-2000 |
1 |
|
|
18 |
左转向输油管总成 |
5149058/1.63.872 |
1 |
注:①水田型拖拉机用
|
序号 No. |
零件名称 Part |
零件代号 DrawingNo. |
数量 Qty. |
序号 No. |
零件名称 Part |
零件代号 DrawingNo. |
数量 Qty. |
|
37 |
油管夹子 |
5137954/1.63.832 |
1 |
||||
|
38 |
油管支架 |
5149037/1.63.583 |
1 |
||||
|
39 |
转向泵 |
HLCB-D16/12 |
1 |
||||
|
40 |
O 形圈 20.29×2.62 |
14618/14457581 |
1 |
||||
|
41 |
螺栓 M8×28-Zn.D |
GB5786 |
2 |
||||
|
42 |
转向器软管护垫 |
SZ804.40.501 |
1 |
||||
|
43 |
转向器软管法兰盘 |
5126690/1.63.875 |
1 |
||||
|
44 |
螺栓 M8×30-Zn.D |
GB/T5783-2000 |
3 |
||||
|
45 |
螺钉 M8×20-Zn.D |
GB 68-85 |
1 |

|
序号 No. |
零件名称 Part |
零件代号 DrawingNo. |
数量 Qty. |
序号 No. |
零件名称 Part |
零件代号 DrawingNo. |
数量 Qty. |
|
1 |
油缸软管总成 |
SZ804.40.051A |
1 |
18 |
左转向输油管总成 |
SZ904.40.012 |
1 1 1 1 1 1 1 1 1 1 3 1 10 2 2 3 1 |
|
油缸软管总成 |
SZ804.40.052A |
1 |
19 |
转向器油箱总成 |
5126670SZ/1.63.804A |
||
|
2 |
垫圈 8-Zn.D |
GB/T7244-1987 |
7 |
19.1 |
液压转向器油箱总成 |
5126668/1.63.804 |
|
|
3 |
空心螺栓 |
885105699/1.63 |
1 |
19.2 |
带密封垫的油箱盖 |
5111699/1.63.841B |
|
|
4 |
密封圈 18×24×1.5 |
10259960/14607 |
2 |
19.3 |
滤清器外壳 |
4997991/1.63.857 |
|
|
5 |
螺栓 M8×28 |
16043724/10312 |
2 |
19.4 |
弹 簧 |
5103058/1.63.807 |
|
|
6 |
O 形圈 20.29×2.62 |
14618/14457581 |
1 |
19.5 |
滤芯总成 |
4997992/1.63.858 |
|
|
7 |
转向泵 |
HLCB-D16/12 |
1 |
20 |
软管 16×950 |
SZ804.40.509 |
|
|
8 |
螺栓 M8×35-Zn.D |
GB/T5782-2000 |
4 |
21 |
转向器软管护垫 |
SZ804.40.501 |
|
|
9 |
垫圈 8-Zn.D |
GB/T93-1987 |
4 |
22 |
转向器软管法兰盘 |
5126690/1.63.875 |
|
|
10 |
螺栓 M10×20-Zn.D |
GB 21-76 |
2 |
23 |
螺栓 M8×25-Zn.D |
GB/T5783-2000 |
|
|
11 |
垫圈 10-Zn.D |
GB/T93-1987 |
2 |
24 |
转向器回油管总成 |
885126687/1.63.824 |
|
|
12 |
转向油箱支架 |
SZ904.40.104 |
1 |
25 |
密封圈 21.2×26×2 |
44019496/1.63.898 |
|
|
13 |
环箍(Φ22~Φ32mm) |
JK-X |
4 |
26 |
转向器软管接头 |
885126686/1.63.877 |
|
|
14 |
软管 16×300 |
SZ904.40.106 |
1 |
27 |
转向器软管接头 |
885126685/1.63.878 |
|
|
15 |
油泵进油管总成 |
885132055/1.63.814 |
1 |
28 |
转向器软管总成 |
SZ804.40.053 |
|
|
16 |
转向器进油管总成 |
SZ904.40.018 |
1 |
29 |
空心螺栓 |
5112983/1.63.881 |
|
|
17 |
右转向输油管总成 |
SZ904.40.013 |
1 |
|
序号 No. |
零件名称 Part |
零件代号 DrawingNo. |
数量 Qty. |
序号 No. |
零件名称 Part |
零件代号 DrawingNo. |
数量 Qty. |
|
30 |
管 夹 |
880006302/1.63 |
1 |
||||
|
31 |
转向油管支架 |
SZ904.40.105 |
1 |
||||
|
32 |
螺栓 M6×20-Zn.D |
GB/T818-2000 |
2 |
||||
|
33 |
垫圈 6-Zn.D |
GB/T93-1987 |
2 |
||||
|
34 |
螺栓 M16×80-Zn.D |
GB/T5782-2000 |
1 |
||||
|
35 |
垫圈 16-Zn.D |
GB/T93-1987 |
1 |
||||
|
36 |
油管支架 |
5149037/1.63.583 |
1 |
||||
|
37 |
油管夹子 |
5137954/1.63.832 |
1 |
||||
|
38 |
垫圈 6-Zn.D |
GB/T7244-1987 |
2 |
||||
|
39 |
螺栓 M6×14 |
10902124/10312 |
2 |
||||
|
40 |
油管夹子 |
4999554/1.63.853 |
1 |
||||
|
41 |
油管支架 |
5149036/1.63.896 |
1 |

|
序号 No. |
零件名称 Part |
零件代号 DrawingNo. |
数量 Qty. |
序号 No. |
零件名称 Part |
零件代号 DrawingNo. |
数量 Qty. |
|
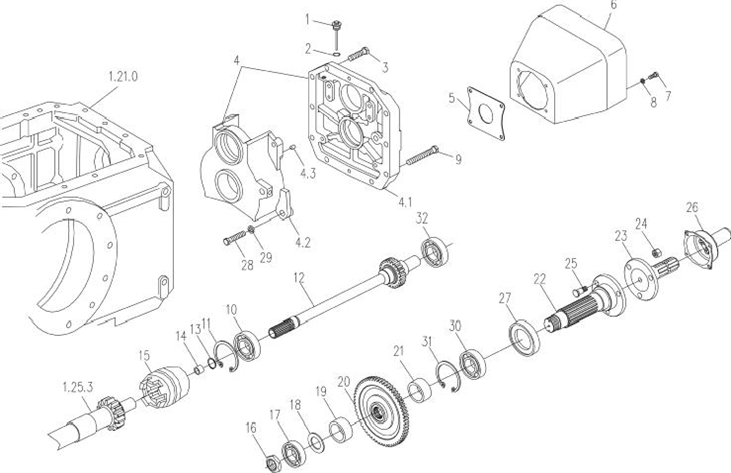
1 |
油尺总成 |
5134687/1.80.185A |
1 |
14 |
动力输出主动轴衬套 |
880808057/1.80 |
1 |
|
2 |
矩形截面密封垫 |
10263460/14607 |
1 |
15 |
动力输出轴滑套 |
5109812SZ/1.80.110 |
1 |
|
22×28×1.5 |
16 |
从动齿轮轴螺母 |
5122985/1.28.149 |
1 |
|||
|
3 |
螺栓 M16×1.5×45 |
GB/T5786-2000 |
4 |
17 |
轴承 6307E(307) |
GB/T276 |
1 |
|
4 |
动力输出壳体合件 |
SZ904.41.011 |
1 |
18 |
1000r/min 齿轮挡圈 |
880808056/1.80 |
1 |
|
4.1 |
动力输出壳体 |
SZ904.41.101 |
19 |
从动齿轮隔套 |
SZ804.41.107 |
1 |
|
|
4.2 |
动力输出前轴承支座 |
SZ804.41.102 |
1 |
20 |
540r/min 分从动齿轮 |
SZ804.41.202① |
1 |
|
4.3 |
定位销 10×15 |
10839710/12507 |
720r/min 分从动齿轮 |
SZ804.41.104-1② |
1 |
||
|
5 |
后油封护板 |
4994659/1.80.151A |
1 |
800r/min 分从动齿轮 |
SZ900.41A.104-1④ |
1 |
|
|
6 |
动力输出轴防护罩 |
SZ804.41.161 |
1 |
1000r/min 分从动齿轮 |
SZ804.41.302⑤ |
1 |
|
|
7 |
螺栓 M8×25-Zn.D |
GB/T5783-2000 |
4 |
21 |
从动齿轮隔套 |
SZ904.41.107 |
1 |
|
8 |
垫圈 8-Zn.D |
GB/T7244-1987 |
4 |
22 |
动力输出从动轴 |
SZ904.41.105 |
1 |
|
9 |
螺栓 M16×1.5×90 |
GB/T5785-2000 |
6 |
23 |
540r/min 动力输出轴头 |
4983660/1.80.107A |
1 |
|
10 |
轴承 6308E(308) |
GB/T276 |
2 |
24 |
螺母 M12×1.25 |
GB/T889.2-2000 |
3 |
|
11 |
挡圈 90 |
11062476/12246 |
2 |
25 |
动力输出轴螺栓 |
44012300/1.80.133 |
3 |
|
12 |
540 转动力输出主动轴 |
SZ804.41.201① |
1 |
26 |
动力输出轴头防护罩 |
SZ1204.41.101 |
1 |
|
720 转动力输出主动轴 |
SZ804.41.103-1② |
1 |
27 |
油封 68×90×11.5 |
SZ904.41.106A |
1 |
|
|
800 转动力输出主动轴 |
SZ900.41A.103-1④ |
1 |
28 |
螺栓 M12×1.25×40 |
GB/T5786-2000 |
4 |
|
|
1000 转动力输出主动轴 |
SZ804.41.301⑤ |
1 |
29 |
垫圈 12-Zn.D |
GB/T93-1987 |
4 |
|
|
13 |
挡圈 35 |
GB/T894.1-1986 |
1 |
30 |
轴承 6309E(309) |
GB/T276-1994 |
1 |
|
31 |
挡圈 100 |
11062975/12246 |
11 |
||||
|
32 |
轴承 NJ308E |
GB/T283 |
注: ①用于 540 转/分转速,,②用于 720 转/分转速,④用于 800 转/分转速,⑤用于 1000 转/分转速。


|
序号 No. |
零件名称 Part |
零件代号 DrawingNo. |
数量 Qty. |
序号 No. |
零件名称 Part |
零件代号 DrawingNo. |
数量 Qty. |
|
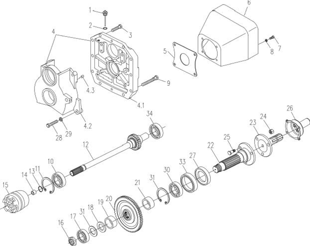
1 |
挡圈 90 轴承 6308E(308) 动力输出壳体合件 动力输出前轴承支座定位销 10×15 动力输出壳体挡圈 35 动力输出轴衬套 1000/540 转/分动力输出主动轴 720/540 转/分动力输出主动轴 720/1000 转/分动力输出主动轴 540/800 转/分动力输出主动轴 720/800 转/分动力输出主动轴双转速手柄 矩形截面密封垫 22×28×1.5 油尺总成 螺栓 M16×1.5×90 |
11062476/12246 |
1 |
11 |
带手柄操纵杆 |
8A5128718/1.80.157A |
1 |
|
2 |
GB/T276 |
2 |
12 |
销 4×24 |
GB/T879.1-2000 |
1 |
|
|
3 |
SZ904.41.011A |
1 |
13 |
操纵杆销轴 |
885117036/1.80.153 |
1 |
|
|
3.1 |
8A0808052/1.80 |
1 |
14 |
螺栓M16×1.5×45 |
GB/T5786-2000 |
4 |
|
|
3.2 |
10839710/12507 |
2 |
15 |
换挡拔叉 |
8A5109744/1.80.155 |
1 |
|
|
3.3 |
SZ904.41.101A |
1 |
16 |
O 形圈 12.5×2.65 |
GB/T3452.1-82 |
1 |
|
|
4 |
GB/T894.1-1986 |
1 |
17 |
卷簧销 5×32 |
13907770/12215 |
1 |
|
|
5 |
880808057/1.80 |
1 |
18 |
换挡拔叉滑杆 |
8B0808053/1.80 |
1 |
|
|
6 |
880808060SZ/1.80① |
1 |
19 |
钢球 11/32G106 |
GB/T308-84 |
1 |
|
|
20 |
弹 簧 |
884994342/1.29.031 |
1 |
||||
|
SZ804.41.401② |
1 |
21 |
垫圈 12-Zn.D |
GB/T93-1987 |
4 |
||
|
22 |
螺栓M12×1.25×40 |
GB/T5786-2000 |
4 |
||||
|
SZ804.41.502③ |
1 |
23 |
轴承 6307E(307) |
GB/T276-1994 |
1 |
||
|
24 |
从动齿轮轴螺母 |
5122985/1.28.149 |
1 |
||||
|
804C.41A.101④ |
1 |
25 |
1000 转/分齿轮挡圈 |
880808056/1.80 |
1 |
||
|
26 |
从动齿轮内衬套 |
5101537/1.28.132 |
2 |
||||
|
SZ804.41G.101⑤ |
1 |
27 |
1000 转/分 从动齿轮 |
880808061A/1.80①③ |
1 |
||
|
720 转/分 从动齿轮 |
SZ804.41.040A② |
1 |
|||||
|
7 |
SZ804.41A.507 |
1 |
800 转/分 从动齿轮 |
804C.41A.102④⑤ |
1 |
||
|
8 |
10263460/14607 |
1 |
|||||
|
9 |
5134687/1.80.185A |
1 |
|||||
|
10 |
GB/T5785-2000 |
6 |
|
序号 No. |
零件名称 Part |
零件代号 DrawingNo. |
数量 Qty. |
序号 No. |
零件名称 Part |
零件代号 DrawingNo. |
数量 Qty. |
|
28 |
动力输出啮合套齿座 |
885129512SZ/1.80.116 |
1 |
37 |
动力输出轴防护套 |
SZ1204.41.101 |
1 |
|
29 |
动力输出啮合套 |
8A5129513SZ/1.80.117 |
1 |
38 |
螺栓M8×25-Zn.D |
GB/T5783-2000 |
4 |
|
30 |
540 转/分从动齿轮 |
880808062A/1.80①② |
1 |
39 |
垫圈 8-Zn.D |
GB/T7244-1987 |
4 |
|
720 转/分从动齿轮 |
SZ804.41.503③ |
1 |
40 |
动力输出轴防护罩 |
SZ804.41.161 |
1 |
|
|
31 |
540 转/分齿轮挡圈 |
SZ904.41.104 |
1 |
41 |
P.T.O 油封护板 |
4994659/1.80.151A |
1 |
|
32 |
油封 68×90×11.5 |
SZ904.41.106A |
1 |
42 |
双转速标牌 |
885122570/1.98.031① |
1 |
|
33 |
动力输出从动轴 |
SZ904.41.105 |
1 |
SZ804.00.202② |
1 |
||
|
34 |
螺母 M12×1.25-Zn.D |
GB/T889-86 |
3 |
SZ804.41.504③ |
1 |
||
|
35 |
540 转/分 动力输出 |
4983660/1.80.107A①② |
1 |
804C.41A.103④ |
1 |
||
|
轴头(六键) |
SZ804.41G.102⑤ |
1 |
|||||
|
36 |
720 转/分 动力输出 |
1004.41C.305B②③④⑤ |
1 |
43 |
轴承 6309E(309) |
GB/T276 |
1 |
|
轴头(八键) |
44 |
11062975/12246 |
挡圈 100 |
1 |
|||
|
1000 转/分 动力输出 |
5140119/1.80.107B①③ |
1 |
45 |
动力输出轴螺栓 |
44012300/1.80.133 |
3 |
|
|
轴头(21 键) |
46 |
动力输出轴滑套 |
5109812SZ/1.80.110 |
1 |
|||
|
47 |
轴承 NJ308E |
GB/T283 |
1 |
注: ①用于 540/1000 转/分双转速, ②用于 540/720 转/分双转速, ③用于 720/1000 转/分双转速,④用于 540/800 转/分双转速,③用于 720/800 转/
分双转速,

|
序号 No. |
零件名称 Part |
零件代号 DrawingNo. |
数量 Qty. |
序号 No. |
零件名称 Part |
零件代号 DrawingNo. |
数量 Qty. |
|
1 |
油尺总成 |
5134687/1.80.185A |
1 |
16 |
从动齿轮轴螺母 |
5122985/1.28.149 |
1 |
|
2 |
密封垫 22×28×1.5 |
10263460/14607 |
1 |
17 |
动力输出前轴承 |
LX954.41.102 |
1 |
|
3 |
螺栓 M16×1.5×45 |
GB/T5786-2000 |
4 |
18 |
1000r/min 齿轮挡圈 |
LX954.41.103-1 |
1 |
|
4 |
动力输出壳体合件 |
LX954.41A.011 |
1 |
19 |
从动齿轮隔套 |
SZ804.41.107 |
1 |
|
4.1 |
动力输出壳体 |
SZ904.41.101 |
1 |
20 |
540r/min 分从动齿轮 |
SZ804.41.202① |
1 |
|
4.2 |
动力输出前轴承支座 |
LX954.41A.102 |
1 |
720r/min 分从动齿轮 |
SZ900.41.104② |
1 |
|
|
4.3 |
定位销 10×15 |
10839710/12507 |
1 |
800r/min 分从动齿轮 |
SZ900.41A.104④ |
1 |
|
|
5 |
后油封护板 |
4994659/1.80.151A |
1 |
1000r/min 分从动齿轮 |
SZ804.41.302⑤ |
1 |
|
|
6 |
动力输出轴防护罩 |
SZ804.41.161 |
1 |
21 |
从动齿轮隔套 |
LX954.41A.101 |
1 |
|
7 |
螺栓 M8×25-Zn.D |
GB/T5783-2000 |
4 |
22 |
动力输出从动轴 |
LX954.41.108A |
3 |
|
8 |
垫圈 8-Zn.D |
GB/T7244-1987 |
4 |
23 |
540r/min 动力输出轴头 |
4983660/1.80.107A |
3 |
|
9 |
螺栓 M16×1.5×90 |
GB/T5785-2000 |
6 |
24 |
螺母 M12×1.25 |
GB/T889.2-2000 |
1 |
|
10 |
轴承 6308E(308) |
GB/T276 |
2 |
25 |
动力输出轴螺栓 |
44012300/1.80.133 |
1 |
|
11 |
挡圈 90 |
11062476/12246 |
2 |
26 |
动力输出轴头防护罩 |
SZ1204.41.101 |
4 |
|
12 |
540 转动力输出主动轴 |
SZ804.41.201① |
1 |
27 |
油封 68×90×11.5 |
SZ904.41.106A |
4 |
|
720 转动力输出主动轴 |
SZ900.41.103② |
1 |
28 |
螺栓 M12×1.25×40 |
GB/T5786-2000 |
1 |
|
|
800 转动力输出主动轴 |
SZ900.41A.103④ |
1 |
29 |
垫圈 12-Zn.D |
GB/T93-1987 |
1 |
|
|
1000 转动力输出主动轴 |
SZ804.41.301⑤ |
1 |
30 |
轴承 30209E(7209) |
GB/T297 |
1 |
|
|
13 |
挡圈 35 |
GB/T894.1-1986 |
1 |
31 |
挡圈 100 |
LX954.41.110-1 |
1 |
|
14 |
动力输出主动轴衬套 |
880808057/1.80 |
1 |
32 |
动力输出轴承调整垫片 |
LX954.41.105-107 |
按需 |
|
15 |
动力输出轴滑套 |
5109812SZ/1.80.110 |
1 |
33 |
从动轴后轴承衬套 |
LX954.41.109 |
1 |
|
34 |
轴承 NJ308E |
GB/T283 |
1 |
注: ①用于 540 转/分转速,,②用于 720 转/分转速,④用于 800 转/分转速,⑤用于 1000 转/分转速。
