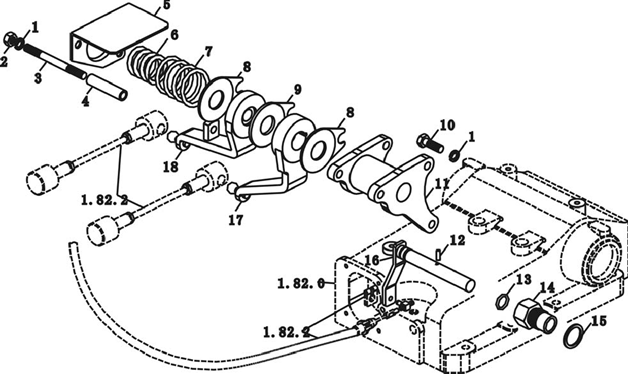
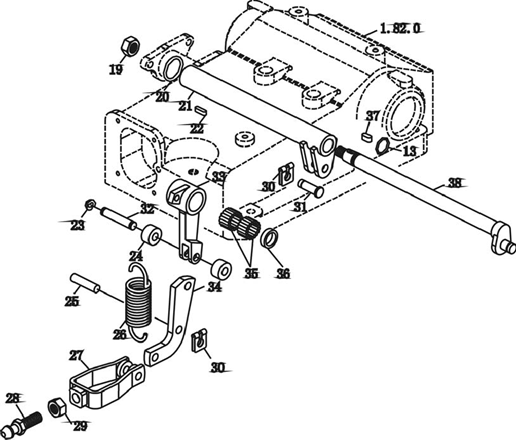
HomeTractorsYTOYTO 800/804/900/904 Tractor Parts CatalogueYTO 800/804/900/904 Tractor Parts Catalogue 14

Comments are closed.