LOVOL TS6A904-011K Tractor Parts Catalogue 07

TS06202010000 FOOT THROTTLE CONTROL ASSEMBLY
|
No. |
Part No. |
Description |
Version |
QTY. |
Remark |
|
TS06202010000 |
FOOT THROTTLE CONTROL ASSEMBLY |
1 |
|||
|
1 |
FT650.20.117 |
LIMIT PLATE |
1 |
||
|
2 |
GBT879.1-5X20-A0P |
SPRING COLUMN PIN |
1 |
||
|
3 |
TD800.202.1 |
FOOT THROTTLE CORNET ASSEMBLY |
1 |
||
|
3.1 |
FT650.20.107 |
RUBBER PLUG |
1 |
||
|
3.2 |
FT800.20.013 |
FOOT PEDAL ROCKER WELDMENT |
1 |
||
|
3.3 |
FT650.20.108 |
THROTTLE BRACKET |
1 |
||
|
3.4 |
TD800.202.1-01 |
WASHER |
1 |
||
|
3.5 |
FT650.20.011 |
FOOT THROTTLE ROCKER WELDMENT |
1 |
||
|
3.6 |
GBT879.1-5X20-A0P |
SPRING COLUMN PIN |
1 |
||
|
3.7 |
GBT6172.1-M8-04-A2L |
HEXAGON THIN NUT |
1 |
||
|
3.8 |
GBT5781-M8X45-4.8-A2L |
HEXAGON BOLT |
1 |
||
|
3.9 |
FT650.20.104 |
TORSION SPRING |
1 |
||
|
4 |
GBT5781-M8X20-4.8-A2L |
HEXAGON BOLT |
2 |
||
|
5 |
GBT93-8-A0P |
STANDARD SPRING WASHER |
2 |
||
|
6 |
GBT6172.1-M8-04-A2L |
HEXAGON THIN NUT |
2 |
||
|
7 |
TS06202010001 |
FOOT THROTTLE PEDAL SEAL SLEEVE |
1 |
TS06203010000 PULL WIRE ASSEMBLY

TS06203010000 PULL WIRE ASSEMBLY
|
No. |
Part No. |
Description |
Version |
QTY. |
Remark |
|
TS06203010000 |
PULL WIRE ASSEMBLY |
1 |
|||
|
1 |
TF1354.203.1 |
FIXING SEAT UNIT |
1 |
||
|
1.1 |
GBT5781-M5X10-4.8-A2L |
HEXAGON BOLT |
1 |
||
|
1.2 |
TF1354.203.1-01 |
FIXING SEAT |
1 |
||
|
1.3 |
GBT848-6-A0P |
SMALL WASHER |
1 |
||
|
1.4 |
GBT91-1.6X12-A0P |
SPLIT PIN |
1 |
||
|
2 |
TS06203010001 |
HAND THROTTLE WIRE ASSEMBLY |
1 |
||
|
3 |
TG1204.20A-02 |
THROUGH HARNESS WASHER |
2 |
||
|
4 |
TS06203010002 |
FOOT THROTTLE WIRE ASSEMBLY |
1 |
||
|
5 |
GBT91-2X12-A0P |
SPLIT PIN |
1 |
||
|
6 |
GBT97.1-6-A0P |
FLAT WASHER |
1 |
||
|
7 |
TG1204.20B-03 |
EXTINGUISH WIRE ASSEMBLY |
1 |
||
|
8 |
Q67405100 |
PLASTIC FASTENING STRIP |
2 |
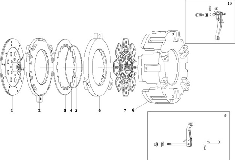
FT800.21C.001 CLUTCH ASSEMBLY

FT800.21C.001 CLUTCH ASSEMBLY
|
No. |
Part No. |
Description |
Version |
QTY. |
Remark |
|
L-02431-0074-13 |
CLUTCH SUBASSEMBLY |
1 |
|||
|
1 |
L-03031-0757-04 |
AUXILIARY CLUTCH DRIVEN PLATE ASSEMBLY |
1 |
||
|
2 |
L-02103-0733-00 |
AUXILIARY CLUTCH PRESSURE PLATE |
1 |
||
|
3 |
L-04130-0003-01 |
FILM SPRING |
1 |
||
|
4 |
L-02165-0105-01 |
SUPPORT WASHER |
1 |
||
|
5 |
L-00454-0002-00 |
SPRING COLUMN PIN |
1 |
||
|
6 |
L-02103-0732-10 |
MAIN CLUTCH PRESSURE PLATE |
1 |
||
|
7 |
L-03031-0117-00 |
MAIN DRIVEN PLATE ASSEMBLY |
1 |
||
|
8 |
L-02101-0215-06 |
CLUTCH HOUSING |
1 |
||
|
9 |
L-02615-0031-02 |
AUXILIARY RELEASE LEVER ASSEMBLY |
1 |
||
|
10 |
L-02615-0051-02 |
MAIN RELEASE LEVER ASSEMBLY |
1 |
TD1S212010000 CLUTCH CONTROL MECHANISM ASSEMBLY-1

TD1S212010000 CLUTCH CONTROL MECHANISM ASSEMBLY-1
|
No. |
Part No. |
Description |
Version |
QTY. |
Remark |
|
TD1S212010000 |
CLUTCH CONTROL MECHANISM ASSEMBLY |
1 |
|||
|
1 |
TD3P212010001 |
AUXILIARY CLUTCH CONTROL HANDLE ASSEMBLY |
1 |
||
|
1.1 |
FT800A.21.045 |
BUTTON ASSEMBLY |
1 |
||
|
1.2 |
FT800A.21.319 |
CONTROLLING HANDLE SLEEVE |
1 |
||
|
1.3 |
FT800.43.180 |
SPRING |
1 |
||
|
1.4 |
FT800A.21.315 |
TOP ROD |
1 |
||
|
1.5 |
FT800A.21.320 |
BONNET |
1 |
||
|
1.6 |
GBT68-M4X10-4.8-A2L |
SLOTTED SCREW |
4 |
||
|
1.7 |
FT800A.21.322 |
SMALL PIN SHAFT |
1 |
||
|
1.8 |
FT800A.21.044 |
CONTROLLING HANDLE ASSEMBLY |
1 |
||
|
1.9 |
FT800A.21.314 |
PAWL |
1 |
||
|
1.10 |
FT800A.21.323 |
PIN |
1 |
||
|
1.11 |
TD3P212010002 |
AUXILIARY CLUTCH UPPER PULL ROD ASSEMBLY |
1 |
||
|
1.12 |
FT800A.43.310 |
RATCHET WHEEL |
1 |
||
|
1.13 |
GBT894.1-14 |
CIRCLIP FOR SHAFT |
2 |
||
|
1.14 |
FT800A.21.321 |
PIN SHAFT |
1 |
||
|
1.15 |
TS06212010003 |
FIXING SEAT WELDMENT |
1 |
||
|
1.16 |
TS06212010009 |
WASHER |
2 |
||
|
1.17 |
GBT894.1-6 |
CIRCLIP FOR SHAFT |
1 |
||
|
1.18 |
GBT6171-M14X1.5-LH-8-A3L |
HEXAGON NUT, TYPE-1 |
1 |
||
|
2 |
GBT16674.1-M6X16-8.8-A2L |
HEXAGON FLANGE NUT |
4 |
||
|
3 |
TS06212010025 |
PRESSURE PLATE 2 |
1 |
||
|
4 |
TS06212010024 |
PRESSURE PLATE 1 |
1 |
TD1S212010000 CLUTCH CONTROL MECHANISM ASSEMBLY-1 (cont’d.)
|
No. |
Part No. |
Description |
Version |
QTY. |
Remark |
|
5 |
GBT93-10-A3L |
STANDARD SPRING WASHER |
8 |
||
|
6 |
GBT6171-M10X1-8-A2L |
HEXAGON NUT, TYPE-1 |
3 |
||
|
7 |
FT800.21.240 |
PULL ROD FRONT FORK |
2 |
||
|
8 |
GBT882-B10X30-A3L |
PIN SHAFT |
6 |
||
|
9 |
GBT894.1-30 |
CIRCLIP FOR SHAFT |
2 |
||
|
10 |
TD2S212020009 |
AUXILIARY CLUTCH SUPPORT SHAFT WELDMENT |
1 |
||
|
11 |
GBT97.1-10-A3L |
FLAT WASHER |
7 |
||
|
12 |
GBT91-3.2X32-A3L |
SPLIT PIN |
7 |
||
|
13 |
GBT97.1-30-A3L |
FLAT WASHER |
1 |
||
|
14 |
FT800A.21.062a |
AUXILIARY CLUTCH TURN HUB UNIT |
1 |
||
|
14.1 |
TG1654.212B.1-01 |
SLEEVE |
2 |
||
|
14.2 |
FT800A.21.338a |
AUXILIARY CLUTCH TURN HUB |
1 |
||
|
15 |
GBT5782-M10X45-10.9-A3L |
HEXAGON BOLT |
6 |
||
|
16 |
TD1S212010009 |
LOWER PULL ROD ASSEMBLY |
1 |
||
|
16.1 |
TA820.212-03 |
ADJUSTING SLEEVE |
1 |
||
|
16.2 |
TD1S212010010 |
PULL ROD WELDMENT |
1 |
||
|
16.3 |
GBT6171-M14X1.5-8-A3L |
HEXAGON NUT, TYPE-1 |
1 |
||
|
17 |
TS06212020001 |
SEAL SLEEVE |
1 |
||
|
18 |
GBT16674.1-M8X20-8.8-A2L |
HEXAGON FLANGE NUT |
4 |
||
|
19 |
GBT16674.1-M10X25-8.8-A3L |
HEXAGON FLANGE NUT |
4 |
TD1S212010000 CLUTCH CONTROL MECHANISM ASSEMBLY-2

TD1S212010000 CLUTCH CONTROL MECHANISM ASSEMBLY-2
|
No. |
Part No. |
Description |
Version |
QTY. |
Remark |
|
TD1S212010000 |
CLUTCH CONTROL MECHANISM ASSEMBLY |
1 |
|||
|
1 |
GBT882-B10X30-A3L |
PIN SHAFT |
6 |
||
|
2 |
FT800.21.241 |
PULL ROD REAR FORK |
1 |
||
|
3 |
GBT97.1-10-A3L |
FLAT WASHER |
7 |
||
|
4 |
GBT91-3.2X32-A3L |
SPLIT PIN |
7 |
||
|
5 |
FT800A.21.059a |
AUXILIARY CLUTCH PULL ROD WELDMENT |
1 |
||
|
6 |
GBT6171-M10X1-8-A2L |
HEXAGON NUT, TYPE-1 |
3 |
||
|
7 |
FT800.21.028 |
AUXILIARY CLUTCH SWING SHAFT WELDMENT |
1 |
||
|
8 |
FT800.21.240 |
PULL ROD FRONT FORK |
2 |
||
|
9 |
JBT7940.1-M8X1 |
STRAIGHT FORCED FILLING OIL CUP |
5 |
||
|
10 |
GBT5783-M10X60-8.8-A3L |
HEXAGON BOLT |
1 |
||
|
11 |
FT800.21.212 |
LIMITING SEAT |
1 |
||
|
12 |
GBT6170-M10-8-A3L |
HEXAGON NUT, TYPE-1 |
2 |
||
|
13 |
GBT93-10-A3L |
STANDARD SPRING WASHER |
8 |
||
|
14 |
FT800.21.204 |
MAIN CLUTCH FORK |
1 |
||
|
15 |
FT800.21.239 |
LOCKING SCREW |
2 |
||
|
16 |
TA800.212B-02 |
LOW CARTON STEEL WIRE SZ-1.4 |
2 |
||
|
17 |
FT800.21.213 |
COLUMN PIN |
2 |
||
|
18 |
FT800.21C.205 |
MAIN CLUTCH RELEASE BEARING SEAT |
1 |
||
|
19 |
FT800.21.203 |
AUXILIARY CLUTCH FORK |
1 |
||
|
20 |
FT800.21.215 |
AUXILIARY CLUTCH RETURN SPRING |
2 |
||
|
21 |
FT800.21c.202a |
AUXILIARY CLUTCH BEARING SEAT |
1 |
||
|
22 |
JBT982-8 |
COMBINED SEAL GASKET |
8 |
TD1S212010000 CLUTCH CONTROL MECHANISM ASSEMBLY-2 (cont’d.)
|
No. |
Part No. |
Description |
Version |
QTY. |
Remark |
|
23 |
TA820.213-10 |
RELEASE BEARING NTM8842 |
1 |
||
|
24 |
TS07212010009 |
SPRING FIXED PLATE |
1 |
||
|
25 |
FT800A.21.388 |
HOLLOW BOLT |
4 |
||
|
26 |
TA800.212-02 |
RELEASE BEARING 996713 |
1 |
||
|
27 |
FT800A.21.058a |
MAIN CLUTCH ROCKER SHAFT WELDMENT |
1 |
||
|
28 |
FT800A.21.080 |
MIDDLE ROD WELDMENT |
1 |
||
|
29 |
FT800A.21.383 |
RETURN SPRING |
1 |
||
|
30 |
FT800.21.207 |
ADJUSTING SCREW |
1 |
||
|
31 |
GBT6170-M8-8-A2L |
HEXAGON NUT, TYPE-1 |
3 |
||
|
32 |
GBT6172.1-M12-04-A3L |
HEXAGON THIN NUT |
4 |
||
|
33 |
FT800A.21.387 |
LUBRICATING OIL PIPE |
4 |
||
|
34 |
GBT16674.1-M10X20-8.8-A3L |
HEXAGON FLANGE NUT |
2 |
TD1S212010000 CLUTCH CONTROL MECHANISM ASSEMBLY-3
TD1S212010000 CLUTCH CONTROL MECHANISM ASSEMBLY-3
|
No. |
Part No. |
Description |
Version |
QTY. |
Remark |
|
TD1S212010000 |
CLUTCH CONTROL MECHANISM ASSEMBLY |
1 |
|||
|
1 |
GBT894.1-30 |
CIRCLIP FOR SHAFT |
2 |
||
|
2 |
TC02212020013 |
PEDAL RETURN SPRING |
1 |
||
|
3 |
TD1S212010002 |
CLUTCH ROCKER UNIT |
1 |
||
|
3.1 |
TH04212010029 |
SLEEVE |
2 |
||
|
3.2 |
TD1S212010003 |
CLUTCH ROCKER WELDMENT |
1 |
||
|
4 |
GBT6170-M8-8-A2L |
HEXAGON NUT, TYPE-1 |
3 |
||
|
5 |
GBT93-8-A3L |
STANDARD SPRING WASHER |
1 |
||
|
6 |
GBT6170-M10-8-A3L |
HEXAGON NUT, TYPE-1 |
2 |
||
|
7 |
TH04212010026 |
CLUTCH PEDAL SUPPORTING SHAFT WELDMENT |
1 |
||
|
8 |
TH04212010025 |
LIMIT BOLT |
1 |
||
|
9 |
GBT91-3.2X32-A3L |
SPLIT PIN |
7 |
||
|
10 |
GBT97.1-10-A3L |
FLAT WASHER |
7 |
||
|
11 |
TH04212010024 |
UPPERLINK |
1 |
||
|
12 |
GBT6171-M10X1-8-A2L |
HEXAGON NUT, TYPE-1 |
3 |
||
|
13 |
FT800A.21.353 |
MIDDLE ROD |
1 |
||
|
14 |
GBT6171-M10X1-LH-8-A2L |
HEXAGON NUT, TYPE-1 |
2 |
||
|
15 |
TD1S212010007 |
MAIN CLUTCH LONG PULL ROD WELDMENT |
1 |
||
|
16 |
TD1S212010004 |
TRANSITION LEVER PRESSURE UNIT |
1 |
||
|
16.1 |
TD1S212010005 |
TRANSITION LEVER WELDMENT |
1 |
||
|
16.2 |
FT800A.21.380 |
SUPPORT SHAFT BUSH |
2 |
||
|
17 |
TC03212010020 |
TRANSITION LEVER SUPPORT SHAFT WELDMENT |
1 |
||
|
18 |
GBT5783-M8X20-8.8-A2L |
HEXAGON BOLT |
1 |
