LOVOL TC2A454-019K Tractor Parts Catalogue 11
TB404.382B-2 38.2.2-后桥中央传动总成-2 REAR AXLE CENTRAL TRANSMISSION ASSEMBLY-2
|
标号 No. |
代号 Code |
名称 Description |
数量 Quantity |
备注 Remark |
|
|
0 |
FT300.38.012 |
差速器总成 |
DIFFERENTIAL ASSEMBLY |
1 |
2011-11_ |
|
1 |
GBT297-32013 |
圆锥滚子轴承 |
BEARING |
1 |
2008-06_ |
|
10 |
FT300.38.183 |
短行星齿轮轴 |
SHORT PLANETARY GEAR SHAFT |
2 |
2011-11_ |
|
11 |
FT300.38.184 |
中心环 |
CENTRAL RING |
1 |
2011-11_ |
|
12 |
FT300.38.143 |
左半轴齿轮 |
LEFT HALF SHAFT GEAR |
1 |
2011-11_ |
|
13 |
FT300.38.180 |
差速器壳体 |
DIFFERENTIAL HOUSING |
1 |
2011-11_ |
|
14 |
FT300.38.141 |
大圆锥齿轮 |
BIG TAPER GEAR |
1 |
2011-11_ |
|
15 |
FT300.38.185 |
行星齿轮轴止推螺栓 |
PLANET GEAR SHAFT THRUST BOLT |
4 |
2011-11_ |
|
16 |
FT300.38.019 |
差速锁总成 |
DIFFERENTIAL LOCK ASSEMBLY |
1 |
2011-11_ |
|
16 |
FT300.38.019 |
差速锁总成 |
DIFFERENTIAL LOCK ASSEMBLY |
1 |
2011-11_ |
|
17 |
GBT297-30211 |
圆锥滚子轴承 |
BEARING |
1 |
2011-11_ |
|
18 |
FT300.38.186 |
大锥齿轮固定螺栓 |
FIXING BOLT |
4 |
2011-11_ |
|
2 |
GBT6170-M12-A3L |
螺母 |
NUT |
8 |
2011-11_ |
|
3 |
FT300.38.152 |
锁紧垫片 |
LOCKING WASHER |
4 |
2011-11_ |
|
4 |
FT300.38.181 |
差速器盖 |
DIFFERENTIAL HOUSING |
1 |
2011-11_ |
|
4 |
FT300.38.181 |
差速器盖 |
DIFFERENTIAL HOUSING |
1 |
2011-11_ |
|
5 |
FT300.38.147 |
半轴齿轮垫片 |
HALF SHAFT GEAR WASHER |
2 |
2011-11_ |
|
6 |
FT300.38.144 |
右半轴齿轮 |
RIGHT HALF SHAFT GEAR |
1 |
2011-11_ |
|
7 |
FT300.38.148 |
行星齿轮垫片 |
PLANET GEAR WASHER |
4 |
2011-11_ |
|
8 |
FT300.38.145 |
行星齿轮 |
PLANETARY GEAR |
4 |
2011-11_ |
|
8 |
FT300.38.145 |
行星齿轮 |
PLANETARY GEAR |
4 |
2011-11_ |
|
9 |
FT300.38.182 |
长行星齿轮轴 |
LONG PLANETARY GEAR SHAFT |
1 |
2011-11_ |

TB554.383A 38.3-差速锁操纵机构总成 38.3-DIFFERENTIAL LOCK CONTROL MECHANISM ASSEMBLY
|
标号 No. |
代号 Code |
名称 Description |
数量 Quantity |
备注 Remark |
|
|
1 |
GBT3452.1-15.0X2.65G |
液压气动用O形橡胶密封圈 |
O-SEAL RING |
1 |
2011-11_ |
|
10 |
GBT879.1-6X35 |
弹性圆柱销 |
PIN |
1 |
2011-11_ |
|
11 |
GBT879.2-3.5X35 |
弹性圆柱销 |
PIN |
1 |
2011-11_ |
|
12 |
TB554.383A.2 |
差速锁踏杆焊合件 |
DIFFERENTIAL LOCK PEDAL LEVER WELDMENT |
1 |
2004-01_ |
|
13 |
Q72220 |
碗形塞片 |
PLUG PIECE |
1 |
2011-11_ |
|
14 |
TB554.383A.1 |
差速锁踏板焊合件 |
DIFFERENTIAL LOCK PEDAL WELDMENT |
1 |
2004-01_ |
|
14 |
TB554.383A.4 |
差速锁上踏杆焊合件 |
DIFFERENTIAL LOCK PEDAL LEVER WELDMENT |
1 |
2010-03_ |
|
15 |
GBT93-6-A0P |
弹簧垫圈 |
SPRING WASHER |
2 |
2011-11_ |
|
16 |
GBT5783-M6X25-8.8-A2L |
六角头螺栓 |
BOLT |
2 |
2011-11_ |
|
2 |
FT300.38.158a |
差速锁拨叉轴 |
DIFFERENTIAL LOCK FORK SHAFT |
1 |
2011-11_ |
|
3 |
FT300.38.160 |
差速锁回位弹簧 |
DIFFERENTIAL LOCK RETURN SPRING |
1 |
2011-11_ |
|
4 |
FT300.38.159a |
差速锁拨叉 |
DIFFERENTIAL LOCK FORK |
1 |
2011-11_ |
|
5 |
FT300.38.190 |
差速锁拨块 |
DIFFERENTIAL LOCK DIAL BLOCK |
1 |
2011-11_ |
|
6 |
GBT879.1-6X40 |
弹簧圆柱销 |
SPRING COLUMN PIN |
1 |
2011-11_ |
|
7 |
GBT879.2-3.5X40 |
弹性圆柱销 |
PIN |
1 |
2011-11_ |
|
8 |
GBT5781-M8X45-A2L |
六角头螺栓 |
BOLT |
1 |
2011-11_ |
|
9 |
GBT6170-M8-A2L |
螺母 |
NUT |
2 |
2011-11_ |
|
TB554.383A.3 |
差速锁下踏杆焊合件 |
DIFFERENTIAL LOCK DOWN PEDAL WELDMENT |
1 |
2010-03_ |
|

FT300.39.001-1 39.1-最终传动总成-1 39FINAL TRANSMISSION ASSEMBLY -1
|
标号 No. |
代号 Code |
名称 Description |
数量 Quantity |
备注 Remark |
|
|
1 |
FT300.39.109 |
滚针外隔圈 |
NEEDLE OUTER SPACER RING |
6 |
2011-11_ |
|
10 |
FT300.39.110 |
驱动轴锁片 |
DRIVING SHAFT LOCK PIECE |
1 |
2011-11_ |
|
11 |
FT300.39.112 |
驱动轴锁紧螺栓 |
DRIVING SHAFT LOCK BOLT |
1 |
2011-11_ |
|
12 |
FT300.39.111 |
挡块 |
RETAINER BLOCK |
1 |
2011-11_ |
|
13 |
FT300.39.104 |
行星架 |
PLANET CARRIER |
1 |
2011-11_ |
|
14 |
FT300.39.123 |
调整垫片 |
ADJUSTING WASHER |
999 |
2011-11_ |
|
15 |
FT300.39.122 |
调整垫片 |
ADJUSTING WASHER |
999 |
2011-11_ |
|
16 |
FT300.39.121 |
调整垫片 |
ADJUSTING WASHER |
999 |
2011-11_ |
|
16 |
FT300.39.121 |
调整垫片 |
ADJUSTING WASHER |
999 |
2011-11_ |
|
17 |
FT300.39.113 |
隔套 |
SPACER BUSH |
1 |
2011-11_ |
|
18 |
GBT276-6211 |
深沟球轴承 |
BEARING |
1 |
2011-11_ |
|
19 |
FT300.39.115 |
左驱动轴壳体 |
LEFT DRIVING SHAFT HOUSING |
1 |
2011-11_ |
|
2 |
FT300.39.103 |
行星轮 |
PLANET GEAR |
3 |
2011-11_ |
|
20 |
GBT276-6212 |
球轴承 |
BALL BEARING |
1 |
2011-11_ |
|
21 |
GBT9877.1-FB70X95X10D |
内包骨架旋转轴唇形密封 |
O RING |
2 |
2011-11_ |
|
22 |
GBT3452.1-115X3.55G |
液压气动用O形橡胶密封圈 |
O-SEAL RING |
1 |
2004-01_ |
|
23 |
FT300.39.116 |
油封座 |
OIL SEAL CAGE |
1 |
2011-11_ |
|
24 |
GBT93-12-AOP |
垫圈 |
WASHER |
4 |
2011-11_ |
|
25 |
GBT5783-M12X30-8.8-A3L |
六角头螺栓 |
BOLT |
4 |
|
|
26 |
FT300.39.136 |
后轮毂螺栓(左) |
REAR HUB BOLT (LEFT) |
8 |
2011-11_ |
|
27 |
FT300.39.118 |
驱动轴 |
DRIVING SHAFT |
1 |
2011-11_ |
|
28 |
FT300.39.137 |
垫圈 |
WASHER |
8 |
2011-11_ |
|
29 |
GBT6176-M16X1.5-LH-10-A3L |
2型六角螺母 |
HEXAGON NUT, TYPE-2 |
8 |
2004-01_ |
|
3 |
GBT309-P5X23.8-G2 |
滚针 |
NEEDLE |
132 |
2011-11_ |
|
4 |
FT300.39.105 |
滚针内隔圈 |
NEEDLE INNER SPACER RING |
3 |
2011-11_ |

FT300.39.001-1 39.1-最终传动总成-1(续)
|
标号 No. |
代号 Code |
名称 Description |
数量 Quantity |
备注 Remark |
|
|
5 6 7 8 9 |
GBT879.1-5X24 GBT879.1-8X24 FT300.39.106 FT300.39.107 FT300.39.101 |
弹性圆柱销弹性圆柱销行星轮轴 齿圈 左半轴 |
PIN PIN PLANET GEAR SHAFT GEAR RING LEFT HALF SHAFT |
3 3 3 1 1 |
2011-11_ 2011-11_ 2011-11_ 2011-11_ 2011-11_ |

FT300.39.001-2 39.2-最终传动总成-2 39FINAL TRANSMISSION ASSEMBLY -2
|
标号 No. |
代号 Code |
名称 Description |
数量 Quantity |
备注 Remark |
|
|
1 |
GBT6176-M16X1.5-LH-10-A3L |
2型六角螺母 |
HEXAGON NUT, TYPE-2 |
8 |
2011-11_ |
|
10 |
GBT276-6212 |
球轴承 |
BALL BEARING |
1 |
2011-11_ |
|
11 |
FT300.39.114 |
右驱动轴壳体 |
RIGHT DRIVING SHAFT HOUSING |
1 |
2011-11_ |
|
12 |
GBT276-6211 |
深沟球轴承 |
BEARING |
1 |
2011-11_ |
|
13 |
FT300.39.113 |
隔套 |
SPACER BUSH |
1 |
2011-11_ |
|
14 |
FT300.39.121 |
调整垫片 |
ADJUSTING WASHER |
9999 |
2011-11_ |
|
14 |
FT300.39.121 |
调整垫片 |
ADJUSTING WASHER |
9999 |
2011-11_ |
|
15 |
FT300.39.122 |
调整垫片 |
ADJUSTING WASHER |
9999 |
2011-11_ |
|
16 |
FT300.39.123 |
调整垫片 |
ADJUSTING WASHER |
9999 |
2011-11_ |
|
17 |
FT300.39.104 |
行星架 |
PLANET CARRIER |
1 |
2011-11_ |
|
18 |
FT300.39.111 |
挡块 |
RETAINER BLOCK |
1 |
2011-11_ |
|
19 |
FT300.39.112 |
驱动轴锁紧螺栓 |
DRIVING SHAFT LOCK BOLT |
1 |
2011-11_ |
|
2 |
FT300.39.137 |
垫圈 |
WASHER |
8 |
2011-11_ |
|
20 |
FT300.39.110 |
驱动轴锁片 |
DRIVING SHAFT LOCK PIECE |
1 |
2011-11_ |
|
21 |
FT300.39.102 |
右半轴 |
RIGHT HALF SHAFT |
1 |
2011-11_ |
|
21 |
FT300.39.102 |
右半轴 |
RIGHT HALF SHAFT |
1 |
2011-11_ |
|
22 |
FT300.39.107 |
齿圈 |
GEAR RING |
1 |
2011-11_ |
|
23 |
GBT879.1-5X24 |
弹性圆柱销 |
PIN |
3 |
2011-11_ |
|
24 |
GBT879.1-8X24 |
弹性圆柱销 |
PIN |
3 |
2011-11_ |
|
25 |
FT300.39.106 |
行星轮轴 |
PLANET GEAR SHAFT |
3 |
2011-11_ |
|
26 |
FT300.39.109 |
滚针外隔圈 |
NEEDLE OUTER SPACER RING |
6 |
2011-11_ |
|
27 |
FT300.39.103 |
行星轮 |
PLANET GEAR |
3 |
2011-11_ |
|
28 |
GBT309-P5X23.8-G2 |
滚针 |
NEEDLE |
132 |
2011-11_ |
|
29 |
FT300.39.105 |
滚针内隔圈 |
NEEDLE INNER SPACER RING |
3 |
2011-11_ |
|
3 |
FT300.39.118 |
驱动轴 |
DRIVING SHAFT |
1 |
2011-11_ |

FT300.39.001-2 39.2-最终传动总成-2(续)
|
标号 No. |
代号 Code |
名称 Description |
数量 Quantity |
备注 Remark |
|
|
4 5 6 7 8
9 |
FT300.39.135 GBT5783-M12X30-8.8-A3L GBT93-12-AOP FT300.39.116 GBT3452.1-115X3.55G GBT9877.1-FB70X95X10D |
后轮毂螺栓六角头螺栓垫圈 油封座 液压气动用O形橡胶密封圈内包骨架旋转轴唇形密封 |
REAR HUB BOLT BOLT WASHER OIL SEAL CAGE O-SEAL RING
O RING |
8 4 4 1 1
2 |
2011-11_ 2011-11_ 2011-11_ 2011-11_ 2011-11_
2011-11_ |

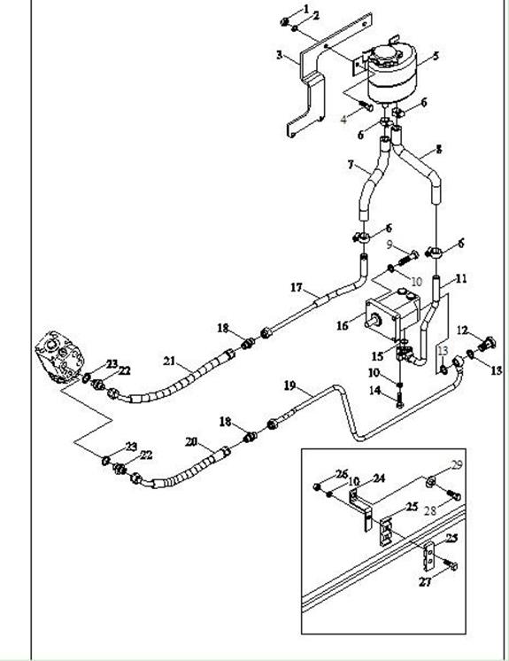
TB504.402B-1 40.1-全液压转向管路总成-1 FULL HYDRAULIC STEERING PIPE ASSEMBLY-1
|
标号 No. |
代号 Code |
名称 Description |
数量 Quantity |
备注 Remark |
|
|
1 |
GBT6170-M10-A3L |
螺母 |
NUT |
2 |
|
|
10 |
GBT93-8-A0P |
垫圈 |
WASHER |
8 |
|
|
11 |
FT450.40Y.011 |
油泵吸油钢管焊合件 |
OIL PUMP INLET STEEL PIPE WELDMENT |
1 |
|
|
12 |
FT650.40.105-M18X1.5 |
空心螺栓 |
HOLLOW BOLT |
1 |
|
|
13 |
JBT982-18 |
组合密封垫圈 |
COMBINED SEAL GASKET |
2 |
|
|
13 |
JBT982-18 |
组合密封垫圈 |
COMBINED SEAL GASKET |
2 |
|
|
14 |
GBT5783-M8X30-8.8-A2L |
六角头螺栓 |
BOLT |
3 |
|
|
15 |
GBT3452.1-17.0X2.65G |
液压气动用O形橡胶密封圈 |
O-SEAL RING |
1 |
2012-12_ |
|
15 |
GBT3452.1-16.0X2.65G |
液压气动用O形橡胶密封圈 |
O-SEAL RING |
1 |
|
|
16 |
FT354.40J.011 |
恒流溢流泵 |
PERMANENT OVERFLOW PUMP |
1 |
|
|
17 |
TB504.402B.7 |
输油钢管焊合 |
OIL CONVEYING PIPE WELDMENT |
1 |
|
|
17 |
TB504.402B.7a |
输油钢管总成7 |
OIL CONVEYING PIPE ASSEMBLY 7 |
1 |
2012-12_ |
|
18 |
GBT3737.2-G12 |
直通接头体 |
STRAIGHT THREAD JOINT |
2 |
|
|
19 |
TB504.402B.8a |
输油钢管焊合8 |
OIL CONVEYING PIPE WELDMENT 8 |
1 |
2012-12_ |
|
19 |
TB504.402B.8 |
输油钢管焊合 |
OIL CONVEYING PIPE WELDMENT |
1 |
|
|
2 |
GBT93-10-A0P |
标准型弹簧垫圈 |
WASHER |
4 |
|
|
20 |
TB504.402B.12 |
输油胶管总成3 |
OIL CONVEYING HOSE ASSEMBLY 3 |
1 |
2012-12_ |
|
20 |
TB504.402B.3 |
输油胶管总成 |
OIL CONVEYING HOSE ASSEMBLY |
1 |
|
|
21 |
TB504.402B.4 |
输油胶管总成 |
OIL CONVEYING HOSE ASSEMBLY |
1 |
|
|
22 |
TH354.402-11 |
管接头 |
PIPE JOINT |
2 |
|
|
23 |
JBT982-20 |
组合密封垫圈 |
COMBINED SEAL GASKET |
2 |
|
|
24 |
TB504.402B-01a |
油管支架1 |
OIL PIPE BRACKET1 |
1 |
2012-12_ |
|
24 |
TB504.402B-01 |
油管支架1 |
OIL PIPE BRACKET1 |
1 |
|
|
25 |
TG1204.402F-02 |
3孔管夹 |
THREE-HOLE PIPE CLAMP |
2 |
|
|
26 |
GBT6170-M8-A2L |
螺母 |
NUT |
1 |
|
