LOVOL TB504-X161Y6K Tractor Parts Catalogue 12
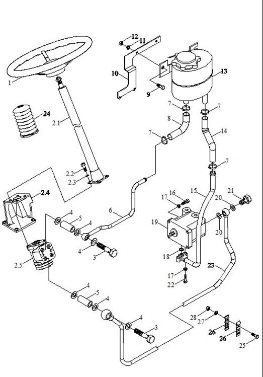
TB454.40M-1 40-全液压转向总成-1
|
标号 No. |
代号 Code |
名称 Description |
数量 Quantity |
备注 Remark |
|
|
1 |
FT400.40.016 |
转向盘总成 |
STEERING WHEEL ASSEMBLY |
1 |
2012-01_ |
|
10 |
TB450.40X-01 |
转向油箱支架 |
STEERING OIL TANK BRACKET |
1 |
2012-01_ |
|
12 |
GBT6170-M10-8-A3L |
1型六角螺母 |
NUT |
2 |
2012-01_ |
|
13 |
FT354.40C.011 |
转向油箱及呼吸器总成 |
STEERING OIL TANK AND BREATH ASSEMBLY |
1 |
2012-01_ |
|
14 |
FT400.40X.104 |
吸油软管 |
OIL SUCTION HOSE |
1 |
2012-01_ |
|
15 |
FT450.40Y.011 |
油泵吸油钢管焊合件 |
OIL PUMP INLET STEEL PIPE WELDMENT |
1 |
2012-01_ |
|
16 |
GBT5782-M8X60-8.8-A2L |
六角头螺栓 |
BOLT |
4 |
2012-01_ |
|
17 |
GBT93-8-A0P |
垫圈 |
WASHER |
7 |
2012-01_ |
|
18 |
GBT3452.1-17.0X2.65G |
液压气动用O形橡胶密封圈 |
O-SEAL RING |
1 |
2012-01_ |
|
19 |
FT354.40J.011 |
恒流溢流泵 |
PERMANENT OVERFLOW PUMP |
1 |
2012-01_ |
|
2 |
FT354.40C.012 |
转向器及壳体总成 |
REDIRECTOR AND HOUSING ASSEMBLY |
1 |
2012-01_ |
|
2.1 |
FT354.40C.016a |
转向管柱总成 |
STEERING PIPE COLUMN ASSEMBLY |
1 |
2012-01_ |
|
2.1 |
FT354.40C.016a |
转向管柱总成 |
STEERING PIPE COLUMN ASSEMBLY |
1 |
2012-01_ |
|
2.2 |
GBT5783-M10X30-8.8-A3L |
六角头螺栓 |
BOLT |
4 |
2012-01_ |
|
2.3 |
GBT93-10-A0P |
标准型弹簧垫圈 |
WASHER |
4 |
2012-01_ |
|
2.4 |
FT354.40C.111 |
转向器支架 |
REDIRECTOR BRACKET |
1 |
2012-01_ |
|
2.5 |
FT354.40C.015 |
液压转向器总成 |
HYDRAULIC STEERING MECHANISM ASSEMBLY |
1 |
2012-01_ |
|
2.5 |
FT354.40C.015 |
液压转向器总成 |
HYDRAULIC STEERING MECHANISM ASSEMBLY |
1 |
2012-01_ |
|
20 |
JB/T982-18 |
垫圈18 |
WASHER 18 |
2 |
2012-01_ |
|
21 |
FT650.40.105 |
空心螺栓 |
HOLLOW BOLT |
1 |
2012-01_ |
|
22 |
GBT5783-M8X30-8.8-A2L |
六角头螺栓 |
BOLT |
3 |
2012-01_ |
|
24 |
TB504.401-01 |
转向杆防护套 |
STEERING ROD SHIELD SLEEVE |
1 |
2012-01_ |
|
24 |
TB504.401-01 |
转向杆防护套 |
STEERING ROD SHIELD SLEEVE |
1 |
2012-01_ |
|
25 |
GBT5783-M6X20-8.8-A2L |
六角头螺栓 |
BOLT |
3 |
2012-01_ |
|
26 |
TB454.40D-01 |
四孔管夹 |
4-HOLE PIPE CLAMP |
2 |
2012-01_ |

TB454.40M-1 40-全液压转向总成-1(续)
|
标号 No. |
代号 Code |
名称 Description |
数量 Quantity |
备注 Remark |
|
|
27 |
GBT93-6-A0P |
弹簧垫圈 |
SPRING WASHER |
3 |
2012-01_ |
|
28 |
GBT6170-M6-8-A2L |
1型六角螺母 |
NUT |
3 |
2012-01_ |
|
3 |
FT354.40C.102 |
空心长螺栓 |
HOLLOW LONG BOLT |
2 |
2012-01_ |
|
4 |
JB/T982-20 |
组合密封垫圈 |
COMBINED SEAL GASKET |
6 |
2012-01_ |
|
5 |
FT354.40C.109 |
长接管 |
LONG CONNECTING PIPE |
2 |
2012-01_ |
|
6 |
TB450.40X.7 |
回油出口管焊合件 |
OIL RETURN OUTLET PIPE WELDMENT |
1 |
2012-01_ |
|
7 |
Q67627 |
软管环箍27 |
HOSE HOOP 27 |
4 |
2012-01_ |
|
8 |
FT354.40C.107 |
回油软管 |
OIL RETURN HOSE |
1 |
2012-01_ |
|
9 |
GBT5783-M10X25-8.8-A3L |
六角头螺栓 |
BOLT |
2 |
2012-01_ |

TB454.40M-2 40-全液压转向总成-2
|
标号 No. |
代号 Code |
名称 Description |
数量 Quantity |
备注 Remark |
|
|
1 |
JB/T982-20 |
组合密封垫圈 |
COMBINED SEAL GASKET |
6 |
2012-01_ |
|
10 |
FT354.40C.011 |
转向油箱及呼吸器总成 |
STEERING OIL TANK AND BREATH ASSEMBLY |
1 |
2012-01_ |
|
11 |
GBT5783-M10X25-8.8-A3L |
六角头螺栓 |
BOLT |
2 |
2012-01_ |
|
12 |
FT400.40X.104 |
吸油软管 |
OIL SUCTION HOSE |
1 |
2012-01_ |
|
13 |
FT450.40Y.011 |
油泵吸油钢管焊合件 |
OIL PUMP INLET STEEL PIPE WELDMENT |
1 |
2012-01_ |
|
14 |
GBT3452.1-17.0X2.65G |
液压气动用O形橡胶密封圈 |
O-SEAL RING |
1 |
2012-01_ |
|
15 |
GBT93-8-A0P |
垫圈 |
WASHER |
7 |
2012-01_ |
|
16 |
GBT5783-M8X30-8.8-A2L |
六角头螺栓 |
BOLT |
5 |
2012-01_ |
|
17 |
FT404.40C.102 |
卡套端直通接头体 |
STRAIGHT THREAD JOINT BODY |
1 |
2012-01_ |
|
18 |
JB/T982-18 |
垫圈18 |
WASHER 18 |
1 |
2012-01_ |
|
19 |
FT304.40L.023 |
恒流溢流泵 |
PERMANENT OVERFLOW PUMP |
1 |
2012-01_ |
|
2 |
FT354.40C.109 |
长接管 |
LONG CONNECTING PIPE |
2 |
2012-01_ |
|
20 |
GBT5782-M8X60-8.8-A2L |
六角头螺栓 |
BOLT |
2 |
2012-01_ |
|
21 |
FT454.40.020 |
油泵出油钢管焊合件 |
OIL PUMP OUTLET STEEL PIPE WELDMENT |
1 |
2012-01_ |
|
22 |
GBT97.1-16-A0P |
垫圈 |
WASHER |
1 |
2012-01_ |
|
3 |
FT354.40C.102 |
空心长螺栓 |
HOLLOW LONG BOLT |
2 |
2012-01_ |
|
4 |
TB450.40X.7 |
回油出口管焊合件 |
OIL RETURN OUTLET PIPE WELDMENT |
1 |
2012-01_ |
|
5 |
Q67627 |
软管环箍27 |
HOSE HOOP 27 |
4 |
2012-01_ |
|
6 |
FT354.40C.107 |
回油软管 |
OIL RETURN HOSE |
1 |
2012-01_ |
|
7 |
GBT6170-M10-8-A3L |
1型六角螺母 |
NUT |
2 |
2012-01_ |
|
8 |
GBT93-10-A0P |
标准型弹簧垫圈 |
WASHER |
2 |
2012-01_ |
|
9 |
TB450.40X-01 |
转向油箱支架 |
STEERING OIL TANK BRACKET |
1 |
2012-01_ |

TB454.40X-1 40.1-全液压转向总成-1 40FULL HYDRAULIC STEERING ASSEMBLY-1
|
标号 No. |
代号 Code |
名称 Description |
数量 Quantity |
备注 Remark |
|
|
1 |
FT400.40.016 |
转向盘总成 |
STEERING WHEEL ASSEMBLY |
1 |
2011-11_ |
|
10 |
TB450.40X-01 |
转向油箱支架 |
STEERING OIL TANK BRACKET |
1 |
2011-11_ |
|
11 |
GBT93-10-A0P |
标准型弹簧垫圈 |
WASHER |
2 |
2011-11_ |
|
12 |
GBT6170-M10-A3L |
螺母 |
NUT |
2 |
2011-11_ |
|
13 |
FT354.40C.011 |
转向油箱及呼吸器总成 |
STEERING OIL TANK AND BREATH ASSEMBLY |
1 |
2011-11_ |
|
14 |
FT400.40X.104 |
吸油软管 |
OIL SUCTION HOSE |
1 |
2011-11_ |
|
15 |
FT450.40Y.011 |
油泵吸油钢管焊合件 |
OIL PUMP INLET STEEL PIPE WELDMENT |
1 |
2011-11_ |
|
16 |
GBT5782-M8X60-A2L |
六角头螺栓 |
BOLT |
4 |
2011-11_ |
|
17 |
GBT93-8-A0P |
垫圈 |
WASHER |
7 |
2011-11_ |
|
18 |
GBT3452.1-19X2.65G |
液压气动用O形橡胶密封圈 |
O-SEAL RING |
1 |
2011-11_ |
|
19 |
FT354.40J.011 |
恒流溢流泵 |
PERMANENT OVERFLOW PUMP |
1 |
2011-11_ |
|
2 |
FT354.40C.012 |
转向器及壳体总成 |
REDIRECTOR AND HOUSING ASSEMBLY |
1 |
2011-11_ |
|
2.0 |
TB504.401-01 |
转向杆防护套 |
STEERING ROD SHIELD SLEEVE |
1 |
2011-06_ |
|
2.0 |
TB504.401-01 |
转向杆防护套 |
STEERING ROD SHIELD SLEEVE |
1 |
2011-06_ |
|
2.1 |
FT354.40C.016a |
转向管柱总成 |
STEERING PIPE COLUMN ASSEMBLY |
1 |
2011-11_ |
|
2.1 |
FT354.40C.016a |
转向管柱总成 |
STEERING PIPE COLUMN ASSEMBLY |
1 |
2011-11_ |
|
2.2 |
GBT5783-M10X30-A3L |
螺栓 |
BOLT |
4 |
2011-11_ |
|
2.3 |
GBT93-10-AOP |
标准型弹簧垫圈 |
WASHER |
4 |
2011-11_ |
|
2.4 |
FT354.40C.111 |
转向器支架 |
REDIRECTOR BRACKET |
1 |
2011-11_ |
|
2.5 |
FT354.40C.015 |
液压转向器总成 |
HYDRAULIC STEERING MECHANISM ASSEMBLY |
1 |
2011-11_ |
|
2.5 |
FT354.40C.015 |
液压转向器总成 |
HYDRAULIC STEERING MECHANISM ASSEMBLY |
1 |
2011-11_ |
|
20 |
JBT982-18 |
组合密封垫圈 |
COMBINED SEAL GASKET |
2 |
2011-11_ |
|
20 |
JBT982-18 |
组合密封垫圈 |
COMBINED SEAL GASKET |
2 |
2011-11_ |
|
21 |
FT650.40.105 |
空心螺栓 |
HOLLOW BOLT |
1 |
2011-11_ |
|
22 |
GBT5783-M8X30-A2L |
螺栓 |
BOLT |
3 |
2011-11_ |

TB454.40X-1 40.1-全液压转向总成-1(续)
|
标号 No. |
代号 Code |
名称 Description |
数量 Quantity |
备注 Remark |
|
|
23 |
FT450.40Y.020 |
油泵出油钢管焊合件 |
OIL PUMP OUTLET STEEL PIPE WELDMENT |
1 |
2011-11_ |
|
3 |
FT354.40C.102 |
空心长螺栓 |
HOLLOW LONG BOLT |
2 |
2011-11_ |
|
4 |
JBT982-20 |
组合密封垫圈 |
COMBINED SEAL GASKET |
6 |
2011-11_ |
|
5 |
FT354.40C.109 |
长接管 |
LONG CONNECTING PIPE |
2 |
2011-11_ |
|
6 |
TB450.40X.7 |
回油出口管焊合件 |
OIL RETURN OUTLET PIPE WELDMENT |
1 |
2011-11_ |
|
7 |
Q67627-d32 |
A型蜗杆传动式软管环箍 |
A-TYPE WORM TRANSMISSION HOSE CLAMP |
4 |
2011-11_ |
|
7 |
Q67627-d32 |
A型蜗杆传动式软管环箍 |
A-TYPE WORM TRANSMISSION HOSE CLAMP |
4 |
2011-11_ |
|
8 |
FT354.40C.107 |
回油软管 |
OIL RETURN HOSE |
1 |
2011-11_ |
|
9 |
GBT5783-M10X25-A3L |
螺栓 |
BOLT |
2 |
2011-11_ |

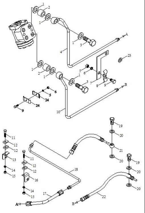
TB454.40X-2 40.2-全液压转向总成-2 40FULL HYDRAULIC STEERING ASSEMBLY-2
|
标号 No. |
代号 Code |
名称 Description |
数量 Quantity |
备注 Remark |
|
|
1 |
JBT982-20 |
组合密封垫圈 |
COMBINED SEAL GASKET |
6 |
2011-11_ |
|
10 |
FT404.40X.018 |
右输油管焊合件 |
RIGHT OIL PIPE WELDMENT |
1 |
2004-01_ |
|
10 |
FT404.40X.018a |
右输油管焊合件 |
RIGHT OIL PIPE WELDMENT |
1 |
2009-11_ |
|
10 |
FT404.40X.018 |
右输油管焊合件 |
RIGHT OIL PIPE WELDMENT |
1 |
2004-01_ |
|
11 |
GBT5783-M8X35-A2L |
六角头螺栓 |
BOLT |
2 |
2004-01_ |
|
12 |
TB454.40X-01 |
单孔管夹 |
SINGLE HOLE PIPE CLAMP |
4 |
2011-11_ |
|
13 |
TB454.40X-03 |
左油管支架 |
LEFT OIL PIPE BRACKET |
1 |
2011-11_ |
|
14 |
GBT93-8-A0P |
垫圈 |
WASHER |
2 |
2011-11_ |
|
15 |
GBT6170-M8-A2L |
螺母 |
NUT |
2 |
2011-11_ |
|
16 |
TB454.40X-02 |
右油管支架 |
RIGHT OIL PIPE BRACKET |
1 |
2011-11_ |
|
17 |
TB454.40X.5a |
油缸输油胶管总成 |
OIL CYLINDER RUBBER PIPE ASSEMBLY |
1 |
2009-11_ |
|
17 |
TB454.40X.5 |
油缸输油胶管总成 |
OIL CYLINDER RUBBER PIPE ASSEMBLY |
1 |
2004-01_ |
|
18 |
TB454.40X.3a |
高压左输油钢管焊合件 |
HIGHT PRESSURE LEFT OIL STEEL PIPE UNIT |
1 |
2009-11_ |
|
18 |
TB454.40X.3 |
高压左输油钢管焊合件 |
HIGHT PRESSURE LEFT OIL STEEL PIPE UNIT |
1 |
2004-01_ |
|
19 |
FT650.40.112 |
空心螺栓 |
HOLLOW BOLT |
2 |
2011-11_ |
|
2 |
FT354.40C.108 |
短接管 |
SHORT CONNECTING PIPE |
2 |
2011-11_ |
|
20 |
JBT982-16 |
组合密封垫圈 |
COMBINED SEAL GASKET |
4 |
2011-11_ |
|
21 |
TB454.40X.2a |
高压左输油管总成 |
HIGHT PRESSURE LEFT OIL PIPE ASSEMBLY |
1 |
2009-11_ |
|
21 |
TB454.40X.2a |
高压左输油管总成 |
HIGHT PRESSURE LEFT OIL PIPE ASSEMBLY |
1 |
2009-11_ |
|
21 |
TB454.40X.2 |
高压左输油管总成 |
HIGHT PRESSURE LEFT OIL PIPE ASSEMBLY |
1 |
2004-01_ |
|
21 |
TB454.40X.2 |
高压左输油管总成 |
HIGHT PRESSURE LEFT OIL PIPE ASSEMBLY |
1 |
2004-01_ |
|
22 |
TB454.40X.1 |
高压右输油管总成 |
HIGHT PRESSURE RIGHT OIL PIPE ASSEMBLY |
1 |
2004-01_ |
|
22 |
TB454.40X.1a |
高压右输油管总成 |
HIGHT PRESSURE RIGHT OIL PIPE ASSEMBLY |
1 |
2009-11_ |
|
23 |
GBT97.1-16-A0P |
垫圈 |
WASHER |
1 |
2011-11_ |
|
3 |
FT354.40C.119 |
空心短螺栓 |
HOLLOW SHORT BOLT |
2 |
2011-11_ |

TB454.40X-2 40.2-全液压转向总成-2(续)
|
标号 No. |
代号 Code |
名称 Description |
数量 Quantity |
备注 Remark |
|
|
4 |
FT404.40X.017a |
左输油管焊合件 |
LEFT OIL PIPE WELDMENT |
1 |
2009-11_ |
|
4 |
FT404.40X.017a |
左输油管焊合件 |
LEFT OIL PIPE WELDMENT |
1 |
2009-11_ |
|
4 |
FT404.40X.017 |
左输油管焊合件 |
LEFT OIL PIPE WELDMENT |
1 |
2004-01_ |
|
5 |
GBT6170-M6-A2L |
螺母 |
NUT |
1 |
2011-11_ |
|
6 |
GBT93-6-A0P |
弹簧垫圈 |
SPRING WASHER |
1 |
2011-11_ |
|
7 |
FT304.40L.122 |
油管支架 |
OIL PIPE BRACKET |
1 |
2011-11_ |
|
8 |
FT304.40L.121 |
双孔管夹 |
DOUBLE-HOLE PIPE CLIP |
1 |
2011-11_ |
|
9 |
GBT5783-M6X25-A2L |
六角头螺栓 |
BOLT |
1 |
2011-11_ |
|
9 |
GBT5783-M6X25-A2L |
六角头螺栓 |
BOLT |
1 |
2011-11_ |

