LOVOL TB2SA604-002K Tractor Parts Catalogue 02
Lovol TB2SA604-002K Wheeled Tractor

TS04132010000 Water Tank Base Plate Mounting Assembly
|
No. |
Part code and specification |
Part name |
Quantity |
Remark |
|
TS04132010000 |
Water tank base plate mounting assembly |
1 |
||
|
1 |
GBT6170-M8-8-A2L |
Hexagon nut, style 1 |
2 |
|
|
2 |
GBT93-8-A0P |
Standard spring washer |
7 |
|
|
3 |
GBT96.1-8-A0P |
Big washer |
2 |
|
|
4 |
TS04132010005 |
Pull rod assembly |
2 |
|
|
5 |
TS04132010001 |
Water tank base plate welding |
1 |
|
|
6 |
GBT5783-M8X20-8.8-A2L |
Hexagon flange nut |
5 |
|
|
7 |
GBT97.1-8-A0P |
Plain washer |
2 |
|
|
8 |
GBT5783-M10X20-8.8-A3L |
Hexagon flange nut |
2 |
|
|
9 |
GBT93-10-A0P |
Standard spring washer |
2 |
7
Lovol TB2SA604-002K Wheeled Tractor

TS04201010000 Hand Throttle Control Assembly

8
Lovol TB2SA604-002K Wheeled Tractor

TS04201010000 Hand Throttle Control Assembly
|
No. |
Part code and specification |
Part name |
Quantity |
Remark |
|
TS04201010000 |
Hand throttle control assembly |
1 |
||
|
1 |
GBT5783-M8X16-8.8-A2L |
Hexagon head bolt |
2 |
|
|
2 |
GBT93-8-A0P |
Standard spring washer |
2 |
|
|
3 |
TS04201010001 |
Hand throttle control mechanism |
1 |
|
|
3.1 |
GBT6170-M8-8-A2L |
Hexagon nut, style 1 |
1 |
|
|
3.2 |
GBT93-8-A0P |
Standard spring washer |
1 |
|
|
3.3 |
GBT97.1-8-A0P |
Plain washer |
1 |
|
|
3.4 |
TG1204.20A.2-02 |
Hand throttle rocker arm |
1 |
|
|
3.5 |
GBT6170-M12-8-A3L |
Hexagon nut, style 1 |
2 |
|
|
3.6 |
FT300.43.160 |
Large washer |
2 |
|
|
3.7 |
GBT955-12 |
Spring washer |
1 |
|
|
3.8 |
FT300.43.159 |
Hand brake friction disc |
1 |
|
|
3.9 |
TS04201010004 |
Hand throttle support plate |
1 |
|
|
3.10 |
TS04201010002 |
Hand throttle control lever weldment |
1 |
|
|
3.11 |
GBT6184-M5-8 |
Prevailing torque type all-metal hexagon nut,style 1 |
1 |
|
|
4 |
GBT97.1-10-A0P |
Plain washer |
2 |
|
|
5 |
GBT93-10-A0P |
Standard spring washer |
2 |
|
|
6 |
GBT5783-M10X25-8.8-A3L |
Hexagon head bolt |
2 |
|
|
7 |
TS06201010002 |
Rotary shaft guide seat |
1 |
|
|
8 |
TS06201010001 |
Hand throttle control lever assembly |
1 |
|
|
9 |
GBT5783-M6X20-8.8-A2L |
Hexagon head bolt |
1 |
|
|
10 |
GBT93-6-A0P |
Standard spring washer |
1 |
9
Lovol TB2SA604-002K Wheeled Tractor

TS04202010000 Foot Throttle Control Assembly


10
Lovol TB2SA604-002K Wheeled Tractor

TS04202010000 Foot Throttle Control Assembly
|
No. |
Part code and specification |
Part name |
Quantity |
Remark |
|
TS04202010000 |
Foot throttle control assembly |
1 |
||
|
1 |
GBT5782-M8X45-8.8-A2L |
Hexagon head bolt |
1 |
|
|
2 |
GBT6170-M8-8-A2L |
Hexagon nut, style 1 |
2 |
|
|
3 |
TB604.202A-01 |
Return spring |
1 |
|
|
4 |
GBT93-8-A0P |
Standard spring washer |
2 |
|
|
5 |
GBT5783-M8X20-8.8-A2L |
Hexagon head bolt |
2 |
|
|
6 |
TS04202010003 |
Rotary shaft bracket weldment |
1 |
|
|
7 |
TS04202010002 |
Rotary shaft bush unit |
1 |
|
|
7.1 |
TB604.202A.1-01 |
Sleeve bush |
1 |
|
|
7.2 |
TS04202010002 |
Rotary shaft bush weldment |
1 |
|
|
8 |
GBT97.1-12-A0P |
Plain washer |
1 |
|
|
9 |
GBT894.1-12 |
Circlip for shaft |
1 |
|
|
10 |
TB400.474E-01 |
Dustproof sleeve |
1 |
|
|
11 |
GBT5783-M6X20-8.8-A2L |
Hexagon head bolt |
1 |
|
|
12 |
GBT93-6-A0P |
Standard spring washer |
1 |
|
|
13 |
TS04202010001 |
Pedal rocker arm weldment |
1 |
|
|
14 |
GBT5783-M8X35-8.8-A2L |
Hexagon head bolt |
1 |
11
Lovol TB2SA604-002K Wheeled Tractor

TS04203010000 Throttle Wire Assembly

12
Lovol TB2SA604-002K Wheeled Tractor

TS04203010000 Throttle Wire Assembly
|
No. |
Part code and specification |
Part name |
Quantity |
Remark |
|
TS04203010000 |
Throttle wire assembly |
1 |
||
|
1 |
TF1354.203.1 |
Throttle wire fixing seat unit |
1 |
|
|
1.1 |
GBT5781-M5X10-4.8-A2L |
Hexagon head bolt |
1 |
|
|
1.2 |
TF1354.203.1-01 |
Throttle wire fixing seat |
1 |
|
|
1.3 |
GBT848-6-A0P |
Small washer |
1 |
|
|
1.4 |
GBT91-1.6X12-A0P |
Split pin |
1 |
|
|
2 |
TS04203010001 |
Hand throttle wire assembly |
1 |
|
|
3 |
TG1204.20A-02 |
Rubber band |
3 |
|
|
4 |
TS04203010002 |
Foot throttle wire assembly |
1 |
|
|
5 |
GBT91-2X12-A0P |
Split pin |
1 |
|
|
6 |
GBT97.1-6-A0P |
Plain washer |
1 |
|
|
7 |
TS04203010003 |
Flameout wire fixing hole plug |
1 |
|
|
8 |
Q67405100 |
Plastic fastening strap |
On demand |
13
Lovol TB2SA604-002K Wheeled Tractor

TS04220020000 Exhaust System Assembly

14
Lovol TB2SA604-002K Wheeled Tractor

TS04220020000 Exhaust System Assembly
|
No. |
Part code and specification |
Part name |
Quantity |
Remark |
|
TS04220020000 |
Exhaust System Assembly |
1 |
||
|
1 |
GBT5782-M12×50-8.8-A3L |
Hexagon Head Bolt |
1 |
|
|
2 |
GBT97.1-12-A0P |
Plain Washer |
1 |
|
|
3 |
TD800.22N-01 |
Pull Rod |
1 |
|
|
4 |
TD900.22B-03 |
Upper Rubber Gasket |
1 |
|
|
5 |
GBT5783-M8×20-8.8-A2L |
Hexagon Head Bolt |
5 |
|
|
6 |
GBT97.1-8-A0P |
Plain Washer |
4 |
|
|
7 |
GBT93-8-A0P |
Standard Spring Washer |
7 |
|
|
8 |
GBT6170-M8-8-A2L |
Hexagon Nut, Style 1 |
3 |
|
|
9 |
TS04220020005 |
Right Clasp |
1 |
|
|
10 |
GBT96.1-12-A0P |
Large Washer |
1 |
|
|
11 |
SPL6177.1-M12-F3 |
Hexagon Flange Nut |
1 |
|
|
12 |
TS04220010001 |
Muffler Assembly |
1 |
|
|
13 |
SPL6175PT-M10×1.5-8F3 |
Spiralock Type 2 Hexagon Self-Locking Locknut |
4 |
|
|
14 |
FT300.22.030 |
Seal Gasket Unit |
2 |
|
|
15 |
TS04220010002 |
Exhaust Bending Pipe 1 |
1 |
|
|
16 |
GBT5783-M10×35-8.8-A3L |
Hexagon Head Bolt |
8 |
|
|
17 |
TS04220010005 |
Fixing Bracket Weldment |
1 |
|
|
18 |
GBT97.1-10-A0P |
Plain Washer |
2 |
|
|
19 |
GBT93-10-A0P |
Standard Spring Washer |
9 |
|
|
20 |
GBT5783-M10×25-8.8-A3L |
Hexagon Head Bolt |
5 |
|
|
21 |
TS04220020004 |
Left Clasp |
1 |
|
|
22 |
TS04220020001 |
Bracket Weldment |
1 |
|
|
23 |
GBT93-6-A0P |
Standard Spring Washer |
5 |
|
|
24 |
GBT5783-M6×16-8.8-A2L |
Hexagon Head Bolt |
1 |
|
|
25 |
GBT6170-M10-8-A3L |
Hexagon Nut, Style 1 |
4 |
|
|
26 |
GBT5783-M8×16-8.8-A2L |
Hexagon Head Bolt |
3 |
|
|
27 |
TS04220010011 |
Upper Shield Screen Weldment |
1 |
|
|
28 |
TS04220010010 |
Lower Shield Screen Weldment |
1 |
|
|
29 |
GBT97.1-6-A0P |
Plain Washer |
4 |
|
|
30 |
GBT5783-M6×12-8.8-A2L |
Hexagon Head Bolt |
4 |
15
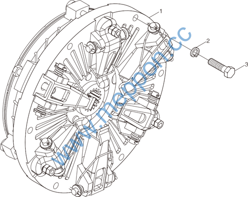
Lovol TB2SA604-002K Wheeled Tractor

TB550.211B Clutch assembly

16
Lovol TB2SA604-002K Wheeled Tractor

TB550.211B Clutch assembly
|
No. |
Part code and specification |
Part name |
Quantity |
Remark |
|
TB550.211B |
Clutch assembly |
1 |
||
|
1 |
TB550.211B.1 |
Clutch subassembly |
1 |
|
|
2 |
GBT93-8-A0P |
Spring washer |
12 |
|
|
3 |
TD800.212B-02 |
Bolt M8X95 |
12 |
17
Lovol TB2SA604-002K Wheeled Tractor

TS04212060000K Clutch Control Assembly(001)

18
