LOVOL TC5A904-071K Tractor Parts Catalogue 03
1004C-P4TRT90N01-16 10.16-发动机总成-16 ENGINE ASSEMBLY-16
|
标号 No. |
代号 Code |
名称 Description |
数量 Quantity |
备注 Remark |
|
|
1 2 3 |
T3115T051B T3241N001 T711050047 |
皮带轮止推块螺栓 |
BELT WHEEL THRUST BLOCK BOLT |
1 1 3 |
2012-08_ 2012-08_ 2012-08_ |

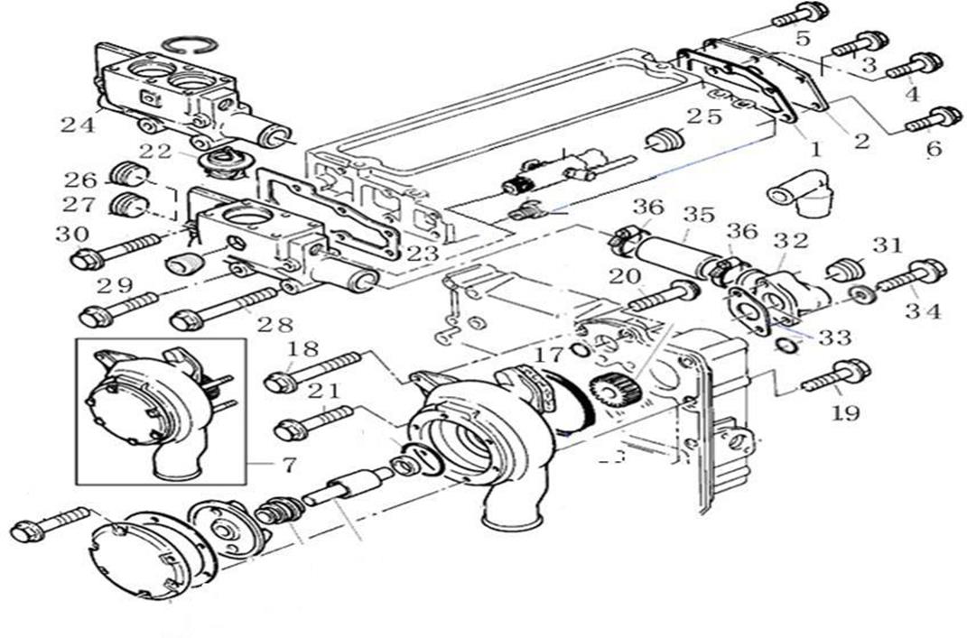
1004C-P4TRT90N01-17 10.17-发动机总成-17 ENGINE ASSEMBLY-17
|
标号 No. |
代号 Code |
名称 Description |
数量 Quantity |
备注 Remark |
|
|
1 |
T3685R005 |
垫 |
WASHER |
1 |
2012-08_ |
|
17 |
T2415H494 |
O 型圈 |
O-RING |
1 |
2012-08_ |
|
18 |
T2314H015 |
螺栓 |
BOLT |
1 |
2012-08_ |
|
19 |
T2314H043 |
螺栓 |
BOLT |
3 |
2012-08_ |
|
2 |
T3623K007 |
盖板 |
COVER PLATE |
1 |
2012-08_ |
|
20 |
T2314H006 |
螺栓 |
BOLT |
1 |
2012-08_ |
|
22 |
T74405005 |
节温器 |
THERMOSTAT |
2 |
2012-08_ |
|
23 |
T3685F005 |
垫 |
WASHER |
1 |
2012-08_ |
|
24 |
T744030025 |
节温器壳体 |
THERMOSTAT HOUSING BODY |
1 |
2012-08_ |
|
25 |
T2431154 |
堵 |
PLUG |
1 |
2012-08_ |
|
28 |
T2314J013 |
螺栓 |
BOLT |
2 |
2012-08_ |
|
3 |
T2314H002 |
螺栓 |
BOLT |
1 |
2012-08_ |
|
30 |
T2314H008 |
螺栓 |
BOLT |
2 |
2012-08_ |
|
32 |
T3764E061 |
接头 |
CONNECTING JOINT |
1 |
2012-08_ |
|
32 |
T3764E061 |
接头 |
CONNECTING JOINT |
1 |
2012-08_ |
|
33 |
T3683N004 |
垫 |
WASHER |
1 |
2012-08_ |
|
34 |
T2314H004 |
螺栓 |
BOLT |
2 |
2012-08_ |
|
35 |
T33854114 |
胶管 |
RUBBER HOSE |
1 |
2012-08_ |
|
36 |
T0180067A |
卡箍 |
CLAMP HOOP |
2 |
2012-08_ |
|
4 |
T2314H003 |
螺栓 |
BOLT |
1 |
2012-08_ |
|
6 |
T2314J002 |
螺栓 |
BOLT |
2 |
2012-08_ |
|
7 |
T4131E011C |
水泵 |
WATER PUMP |
1 |
2012-08_ |

1004C-P4TRT90N01-18 10.18-发动机总成-18 ENGINE ASSEMBLY-18
|
标号 No. |
代号 Code |
名称 Description |
数量 Quantity |
备注 Remark |
|
|
1 2 3 |
T3684A004 T3771K043 T2314H008 |
节温器壳垫出水口 螺栓 |
GASKET Water outlet BOLT |
1 1 4 |
2012-08_ 2012-08_ 2012-08_ |

1004C-P4TRT90N01-19 10.19-发动机总成-19 ENGINE ASSEMBLY-19
|
标号 No. |
代号 Code |
名称 Description |
数量 Quantity |
备注 Remark |
|
|
1 2 4 5 |
T3684A004 T3771K043 T2314H010 T2314H008 |
节温器壳垫出水口 螺栓螺栓 |
GASKET Water outlet BOLT BOLT |
1 1 1 1 |
2012-08_ 2012-08_ 2012-08_ 2012-08_ |

1004C-P4TRT90N01-02 10.2-发动机总成-02 ENGINE ASSEMBLY-02
|
标号 No. |
代号 Code |
名称 Description |
数量 Quantity |
备注 Remark |
|
|
1 |
T3681P009 |
垫 |
WASHER |
1 |
2012-08_ |
|
12 |
T2314H013 |
螺栓 |
BOLT |
6 |
2012-08_ |
|
13 |
T62204002 |
垫 |
WASHER |
1 |
2012-08_ |
|
14 |
T62204001 |
检查盖 |
INSPECTION COVER |
1 |
2012-08_ |
|
14 |
T62204001 |
检查盖 |
INSPECTION COVER |
1 |
2012-08_ |
|
15 |
T2314F036 |
螺栓 |
BOLT |
4 |
2012-08_ |
|
16 |
T0500012 |
键 |
KEY |
1 |
2012-08_ |
|
17 |
T3117C061 |
齿轮 |
GEAR |
1 |
2012-08_ |
|
18 |
T33426161A |
轮毂 |
HUB |
1 |
2012-08_ |
|
18 |
T33426161A |
轮毂 |
HUB |
1 |
2012-08_ |
|
19 |
T4111A013 |
齿轮 |
GEAR |
1 |
2012-08_ |
|
2 |
T3716C133A |
正时齿轮室 |
TIMING CASE |
1 |
2012-08_ |
|
20 |
T3241H009 |
固定板 |
FIXED PLATE |
1 |
2012-08_ |
|
21 |
T2314J010 |
螺栓 |
BOLT |
3 |
2012-08_ |
|
22 |
T4111A021 |
齿轮 |
GEAR |
1 |
2012-08_ |
|
23 |
T33123125 |
垫圈 |
WASHER |
1 |
2012-08_ |
|
24 |
T2722A206 |
卡簧 |
CIRCLIP |
1 |
2012-08_ |
|
24 |
T2722A206 |
卡簧 |
CIRCLIP |
1 |
2012-08_ |
|
25 |
T31415364 |
凸轮轴 |
CAMSHAFT |
1 |
2012-08_ |
|
26 |
T33153121 |
止推板 |
PLATE;THRUST |
1 |
2012-08_ |
|
27 |
T2116053 |
销子 |
PIN |
1 |
2012-08_ |
|
29 |
T3117L023 |
齿轮 |
GEAR |
1 |
2012-08_ |
|
3 |
T2314H003 |
螺栓 |
BOLT |
8 |
2012-08_ |
|
30 |
T2314J606 |
螺栓 |
BOLT |
1 |
2012-08_ |
|
31 |
T3321A003 |
垫圈 |
WASHER |
1 |
2012-08_ |

1004C-P4TRT90N01-02 10.2-发动机总成-02(续)
|
标号 No. |
代号 Code |
名称 Description |
数量 Quantity |
备注 Remark |
|
|
31 4 5 6 7
8 9 |
T3321A003 T2314H004 T3681P034 T3716M091B T2418F436
T2314H005 T2314H034 |
垫圈螺栓 正时室盖垫前盖 油封
螺栓螺栓 |
WASHER BOLT FRONT COVER JOINT FRONT COVER OIL SEAL
BOLT BOLT |
1 4 1 1 1
10 1 |
2012-08_ 2012-08_ 2012-08_ 2012-08_ 2012-08_
2012-08_ 2012-08_ |

