LOVOL 554 604 Tractor Parts Catalogue 09
FT300.39.001-2 39.2-最终传动总成-2 39FINAL TRANSMISSION ASSEMBLY -2
|
标号 No. |
代号 Code |
名称 Description |
数量 Quantity |
备注 Remark |
|
|
1 |
GBT6176-M16X1.5-LH-10-A3L |
2型六角螺母 |
HEXAGON NUT, TYPE-2 |
8 |
2011-11_ |
|
10 |
GBT276-6212 |
球轴承 |
BALL BEARING |
1 |
2011-11_ |
|
11 |
FT300.39.114 |
右驱动轴壳体 |
RIGHT DRIVING SHAFT HOUSING |
1 |
2011-11_ |
|
12 |
GBT276-6211 |
深沟球轴承 |
BEARING |
1 |
2011-11_ |
|
13 |
FT300.39.113 |
隔套 |
SPACER BUSH |
1 |
2011-11_ |
|
14 |
FT300.39.121 |
调整垫片 |
ADJUSTING WASHER |
9999 |
2011-11_ |
|
14 |
FT300.39.121 |
调整垫片 |
ADJUSTING WASHER |
9999 |
2011-11_ |
|
15 |
FT300.39.122 |
调整垫片 |
ADJUSTING WASHER |
9999 |
2011-11_ |
|
16 |
FT300.39.123 |
调整垫片 |
ADJUSTING WASHER |
9999 |
2011-11_ |
|
17 |
FT300.39.104 |
行星架 |
PLANET CARRIER |
1 |
2011-11_ |
|
18 |
FT300.39.111 |
挡块 |
RETAINER BLOCK |
1 |
2011-11_ |
|
19 |
FT300.39.112 |
驱动轴锁紧螺栓 |
DRIVING SHAFT LOCK BOLT |
1 |
2011-11_ |
|
2 |
FT300.39.137 |
垫圈 |
WASHER |
8 |
2011-11_ |
|
20 |
FT300.39.110 |
驱动轴锁片 |
DRIVING SHAFT LOCK PIECE |
1 |
2011-11_ |
|
21 |
FT300.39.102 |
右半轴 |
RIGHT HALF SHAFT |
1 |
2011-11_ |
|
21 |
FT300.39.102 |
右半轴 |
RIGHT HALF SHAFT |
1 |
2011-11_ |
|
22 |
FT300.39.107 |
齿圈 |
GEAR RING |
1 |
2011-11_ |
|
23 |
GBT879.1-5X24 |
弹性圆柱销 |
PIN |
3 |
2011-11_ |
|
24 |
GBT879.1-8X24 |
弹性圆柱销 |
PIN |
3 |
2011-11_ |
|
25 |
FT300.39.106 |
行星轮轴 |
PLANET GEAR SHAFT |
3 |
2011-11_ |
|
26 |
FT300.39.109 |
滚针外隔圈 |
NEEDLE OUTER SPACER RING |
6 |
2011-11_ |
|
27 |
FT300.39.103 |
行星轮 |
PLANET GEAR |
3 |
2011-11_ |
|
28 |
GBT309-P5X23.8-G2 |
滚针 |
NEEDLE |
132 |
2011-11_ |
|
29 |
FT300.39.105 |
滚针内隔圈 |
NEEDLE INNER SPACER RING |
3 |
2011-11_ |
|
3 |
FT300.39.118 |
驱动轴 |
DRIVING SHAFT |
1 |
2011-11_ |

FT300.39.001-2 39.2-最终传动总成-2(续)
|
标号 No. |
代号 Code |
名称 Description |
数量 Quantity |
备注 Remark |
|
|
4 5 6 7 8
9 |
FT300.39.135 GBT5783-M12X30-8.8-A3L GBT93-12-AOP FT300.39.116 GBT3452.1-115X3.55G GBT9877.1-FB70X95X10D |
后轮毂螺栓六角头螺栓垫圈 油封座 液压气动用O形橡胶密封圈内包骨架旋转轴唇形密封 |
REAR HUB BOLT BOLT WASHER OIL SEAL CAGE O-SEAL RING
O RING |
8 4 4 1 1
2 |
2011-11_ 2011-11_ 2011-11_ 2011-11_ 2011-11_
2011-11_ |

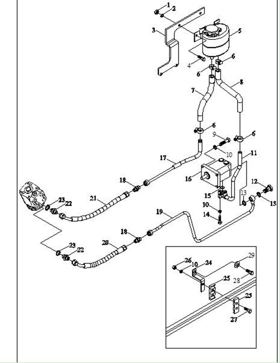
TB504.402B-1 40.1-全液压转向管路总成-1 FULL HYDRAULIC STEERING PIPE ASSEMBLY-1
|
标号 No. |
代号 Code |
名称 Description |
数量 Quantity |
备注 Remark |
|
|
1 |
GBT6170-M10-A3L |
螺母 |
NUT |
2 |
|
|
10 |
GBT93-8-A0P |
垫圈 |
WASHER |
8 |
|
|
11 |
FT450.40Y.011 |
油泵吸油钢管焊合件 |
OIL PUMP INLET STEEL PIPE WELDMENT |
1 |
|
|
12 |
FT650.40.105-M18X1.5 |
空心螺栓 |
HOLLOW BOLT |
1 |
|
|
13 |
JBT982-18 |
组合密封垫圈 |
COMBINED SEAL GASKET |
2 |
|
|
13 |
JBT982-18 |
组合密封垫圈 |
COMBINED SEAL GASKET |
2 |
|
|
14 |
GBT5783-M8X30-8.8-A2L |
六角头螺栓 |
BOLT |
3 |
|
|
15 |
GBT3452.1-17.0X2.65G |
液压气动用O形橡胶密封圈 |
O-SEAL RING |
1 |
2012-12_ |
|
15 |
GBT3452.1-16.0X2.65G |
液压气动用O形橡胶密封圈 |
O-SEAL RING |
1 |
|
|
16 |
FT354.40J.011 |
恒流溢流泵 |
PERMANENT OVERFLOW PUMP |
1 |
|
|
17 |
TB504.402B.7 |
输油钢管焊合 |
OIL CONVEYING PIPE WELDMENT |
1 |
|
|
17 |
TB504.402B.7a |
输油钢管总成7 |
OIL CONVEYING PIPE ASSEMBLY 7 |
1 |
2012-12_ |
|
18 |
GBT3737.2-G12 |
直通接头体 |
STRAIGHT THREAD JOINT |
2 |
|
|
19 |
TB504.402B.8a |
输油钢管焊合8 |
OIL CONVEYING PIPE WELDMENT 8 |
1 |
2012-12_ |
|
19 |
TB504.402B.8 |
输油钢管焊合 |
OIL CONVEYING PIPE WELDMENT |
1 |
|
|
2 |
GBT93-10-A0P |
标准型弹簧垫圈 |
WASHER |
4 |
|
|
20 |
TB504.402B.12 |
输油胶管总成3 |
OIL CONVEYING HOSE ASSEMBLY 3 |
1 |
2012-12_ |
|
20 |
TB504.402B.3 |
输油胶管总成 |
OIL CONVEYING HOSE ASSEMBLY |
1 |
|
|
21 |
TB504.402B.4 |
输油胶管总成 |
OIL CONVEYING HOSE ASSEMBLY |
1 |
|
|
22 |
TH354.402-11 |
管接头 |
PIPE JOINT |
2 |
|
|
23 |
JBT982-20 |
组合密封垫圈 |
COMBINED SEAL GASKET |
2 |
|
|
24 |
TB504.402B-01a |
油管支架1 |
OIL PIPE BRACKET1 |
1 |
2012-12_ |
|
24 |
TB504.402B-01 |
油管支架1 |
OIL PIPE BRACKET1 |
1 |
|
|
25 |
TG1204.402F-02 |
3孔管夹 |
THREE-HOLE PIPE CLAMP |
2 |
|
|
26 |
GBT6170-M8-A2L |
螺母 |
NUT |
1 |
|

TB504.402B-1 40.1-全液压转向管路总成-1(续)
|
标号 No. |
代号 Code |
名称 Description |
数量 Quantity |
备注 Remark |
|
|
27 |
GBT5783-M8X35-8.8-A2L |
六角头螺栓 |
BOLT |
1 |
|
|
28 |
GBT5783-M8X20-8.8-A2L |
六角头螺栓 |
BOLT |
1 |
|
|
29 |
GBT97.1-8-A0P |
平垫圈 |
WASHER |
1 |
|
|
3 |
TB450.40X-01 |
转向油箱支架 |
STEERING OIL TANK BRACKET |
1 |
|
|
3 |
TB504.402B.11 |
转向油箱支架焊合 |
STEERING OIL TANK BRACKET WELDMENT |
1 |
2012-12_ |
|
4 |
GBT5783-M10X25-8.8-A3L |
六角头螺栓 |
BOLT |
2 |
|
|
5 |
FT354.40C.011 |
转向油箱及呼吸器总成 |
STEERING OIL TANK AND BREATH ASSEMBLY |
1 |
|
|
6 |
Q67627 |
软管环箍27 |
HOSE HOOP 27 |
4 |
|
|
7 |
TB504.402-04 |
回油软管 |
OIL RETURN HOSE |
1 |
|
|
8 |
TB504.402B-03 |
吸油软管 |
OIL SUCTION HOSE |
1 |
2012-12_ |
|
8 |
FT400.40X.104 |
吸油软管 |
OIL SUCTION HOSE |
1 |
|
|
9 |
GBT5782-M8X60-8.8-A2L |
六角头螺栓 |
BOLT |
4 |
|

TB504.401B 40.1-转向器及转向管柱总成 40.1-REDIRECTOR OR STEERING COLUMN ASSEMBLY
|
标号 No. |
代号 Code |
名称 Description |
数量 Quantity |
备注 Remark |
|
|
1 |
FT354.40C.016a |
转向管柱总成 |
STEERING PIPE COLUMN ASSEMBLY |
1 |
|
|
1 |
FT354.40C.016a |
转向管柱总成 |
STEERING PIPE COLUMN ASSEMBLY |
1 |
|
|
1.1 |
GBT6173-M16X1.5-A3L |
六角薄螺母 |
NUT |
1 |
2011-11_ |
|
1.2 |
FT650.40.172 |
轴承挡圈 |
BEARING RETAINER RING |
1 |
2011-11_ |
|
1.3 |
GBT894.1-20 |
挡圈20 |
BLCOKING RING |
1 |
2011-11_ |
|
1.4 |
GBT276-61804-2LS |
轴承 |
BEARING |
1 |
2011-11_ |
|
1.5 |
FT650.40.173 |
轴承挡圈2 |
BEARING RETAINER RING 2 |
1 |
2011-11_ |
|
1.6 |
GBT893.1-32 |
档圈 |
RETAINER RING |
1 |
2011-11_ |
|
1.7 |
FT354.40C.130a |
转向杆 |
STEERING ROD |
1 |
2009-12_ |
|
1.8 |
FT354.40C.030 |
转向套管焊合 |
STEERING SLEEVE WELDMENT |
1 |
2011-11_ |
|
2 |
FT400.40.016 |
转向盘总成 |
STEERING WHEEL ASSEMBLY |
1 |
2011-11_ |
|
3 |
TB504.401-01 |
转向杆防护套 |
STEERING ROD SHIELD SLEEVE |
1 |
2011-11_ |
|
3 |
TB504.401-01 |
转向杆防护套 |
STEERING ROD SHIELD SLEEVE |
1 |
2011-11_ |
|
4 |
GBT5783-M10X30-8.8-A3L |
六角头螺栓 |
BOLT |
4 |
2011-11_ |
|
5 |
GBT93-10-A0P |
标准型弹簧垫圈 |
WASHER |
4 |
2011-11_ |
|
6 |
FT354.40C.015 |
液压转向器总成 |
HYDRAULIC STEERING MECHANISM ASSEMBLY |
1 |
2011-11_ |
|
6 |
FT354.40C.015 |
液压转向器总成 |
HYDRAULIC STEERING MECHANISM ASSEMBLY |
1 |
2011-11_ |

TB504.402B-2 40.2-全液压转向管路总成-2 FULL HYDRAULIC STEERING PIPE ASSEMBLY-2
|
标号 No. |
代号 Code |
名称 Description |
数量 Quantity |
备注 Remark |
|
|
1 |
GBT5783-M10X20-8.8-A3L |
六角头螺栓 |
BOLT |
2 |
|
|
1 |
GBT5783-M10X20-8.8-A3L |
六角头螺栓 |
BOLT |
2 |
|
|
10 |
TB504.402B.10 |
卡套式组合直角管接头 |
JOINT |
2 |
|
|
11 |
JBT982-16 |
组合密封垫圈 |
COMBINED SEAL GASKET |
2 |
|
|
12 |
TB504.402B.5 |
输油胶管总成 |
OIL CONVEYING HOSE ASSEMBLY |
2 |
|
|
13 |
GBT3737.2-G12 |
直通接头体 |
STRAIGHT THREAD JOINT |
4 |
|
|
14 |
TB504.402B.2 |
输油钢管总成 |
OIL CONVEYING PIPE ASSEMBLY |
1 |
|
|
14 |
TB504.402B.2a |
输油钢管总成2 |
OIL CONVEYING PIPE ASSEMBLY 2 |
1 |
2012-12_ |
|
15 |
TB504.402B.6 |
输油胶管总成 |
OIL CONVEYING HOSE ASSEMBLY |
1 |
|
|
16 |
JBT982-20 |
组合密封垫圈 |
COMBINED SEAL GASKET |
2 |
|
|
17 |
TH354.402-11 |
管接头 |
PIPE JOINT |
2 |
|
|
18 |
TB504.402B.9 |
输油胶管总成 |
OIL CONVEYING HOSE ASSEMBLY |
1 |
|
|
19 |
TG1204.402E-03 |
双孔管夹 |
DOUBLE-HOLE PIPE CLIP |
2 |
|
|
2 |
GBT93-10-A0P |
标准型弹簧垫圈 |
WASHER |
2 |
|
|
20 |
GBT5783-M8X35-8.8-A2L |
六角头螺栓 |
BOLT |
1 |
|
|
21 |
TB504.402B.1a |
输油钢管总成1 |
OIL CONVEYING PIPE ASSEMBLY 1 |
1 |
2012-12_ |
|
21 |
TB504.402B.1 |
输油钢管总成 |
OIL CONVEYING PIPE ASSEMBLY |
1 |
|
|
22 |
GBT6170-M8-8-A2L |
Ⅰ型六角螺母 |
I-TYPE HEXAGON NUT |
1 |
|
|
3 |
GBT97.1-10-A0P |
平垫圈 |
WASHER |
2 |
|
|
4 |
GBT5782-M8X40-8.8-A2L |
六角头螺栓 |
BOLT |
2 |
|
|
5 |
TG1654.402-07 |
单孔管夹 |
SINGLE HOLE PIPE CLAMP |
4 |
|
|
6 |
TB504.402-10 |
油管支架Ⅲ |
OIL PIPE BRACKET 3 |
2 |
|
|
7 |
GBT93-8-A0P |
垫圈 |
WASHER |
3 |
|
|
8 |
GBT6170-M8-A2L |
螺母 |
NUT |
3 |
|
|
9 |
GBT3733.2-G12 |
卡套式端直通接头体 |
STRAIGHT PIPE JOINT BODY |
2 |
|

TB400.411D 41.1-动力输出齿轮总成 41.1-PTO GEAR ASSEMBLY
|
标号 No. |
代号 Code |
名称 Description |
数量 Quantity |
备注 Remark |
|
|
1 |
GBT894.1-40 |
挡圈40 |
WASHER 40 |
2 |
2011-11_ |
|
10 |
FT300.41.122 |
垫圈 |
WASHER |
1 |
2011-11_ |
|
11 |
GBT276-6306 |
深沟球轴承 |
BEARING |
1 |
2011-11_ |
|
12 |
FT300.41C.118 |
输出轴前挡环 |
OUTPUT SHAFT FRONT RETAINER RING |
1 |
2011-11_ |
|
13 |
FT300.41E.105 |
动力输出被动小齿轮 |
PTO DRIVEN SMALL GEAR |
1 |
2011-11_ |
|
14 |
JBT7918-K35X40X27 |
向心滚针和保持架组件 |
NEEDLE AND CARRIER UNIT |
1 |
2011-11_ |
|
15 |
FT300.41C.117 |
动力输出啮合座 |
PTO MESHING SEAT |
1 |
2011-11_ |
|
15 |
FT300.41C.117 |
动力输出啮合座 |
PTO MESHING SEAT |
1 |
2011-11_ |
|
16 |
FT300.41C.116 |
动力输出啮合套 |
PTO SHIFT COLLAR |
1 |
2011-11_ |
|
17 |
FT300.41E.103 |
动力输出被动大齿轮 |
PTO DRIVEN BIG GEAR |
1 |
2011-11_ |
|
19 |
FT300.41E.114 |
后挡环 |
REAR RETAINER RING |
1 |
2011-11_ |
|
2 |
GBT276-6208 |
深沟球轴承 |
BEARING |
1 |
2011-11_ |
|
20 |
FT300.41E.119 |
输出轴半挡环 |
OUTPUT SHAFT HALF RETAINER RING |
2 |
2011-04_ |
|
21 |
GBT276-6309 |
深沟球轴承 |
BEARING |
1 |
2011-11_ |
|
22 |
FT300.41E.113 |
输出轴轴承垫圈 |
OUTPUT SHAFT BEARING WASHER |
1 |
2011-11_ |
|
23 |
GBT9877.1-FB50X72X8D |
内包骨架旋转轴唇形密封 |
O RING |
2 |
2011-11_ |
|
24 |
FT300.41E.115 |
油封挡圈 |
OIL SEAL RETAINER RING |
1 |
2011-11_ |
|
25 |
FT300.41E.101 |
后端盖Ⅰ |
REAR END COVER I |
1 |
2011-11_ |
|
26 |
GBT93-12-AOP |
垫圈 |
WASHER |
8 |
2011-11_ |
|
27 |
GBT5782-M12X55 |
六角头螺栓 |
BOLT |
4 |
2004-01_ |
|
28 |
GBT5781-M12X25-A3L |
六角头螺栓 |
BOLT |
4 |
2011-11_ |
|
29 |
FT300.41.131a |
安全防护罩 |
SAFTY BONNET |
1 |
2011-11_ |
|
3 |
FT300.41E.120 |
动力输出高档主动齿轮 |
PTO HIGH GEAR DRIVING GEAR |
1 |
2011-11_ |
|
3 |
FT300.41E.120 |
动力输出高档主动齿轮 |
PTO HIGH GEAR DRIVING GEAR |
1 |
2011-11_ |
|
4 |
FT300.41E.121 |
隔套 |
SPACER BUSH |
1 |
2011-11_ |

