LOVOL 554 604 Tractor Parts Catalogue 06
TB504.311-5 31.1.5-前驱动桥总成-5(续)
|
标号 No. |
代号 Code |
名称 Description |
数量 Quantity |
备注 Remark |
|
|
26 |
GBT3452.1-33.5X1.8G |
O型圈 |
O-RING |
1 |
2011-11_ |
|
27 |
GBT893.1-37 |
孔用弹性挡圈 |
SNAP RING |
2 |
2011-11_ |
|
28 |
GBT6171-M20X1.5-LH |
1型六角螺母 |
NUT |
1 |
|
|
29 |
FT304.31F.175 |
拉杆 |
PULL ROD |
1 |
2011-11_ |
|
3 |
FT304.31F.165a |
固定销 |
FIXING PIN |
2 |
2011-11_ |
|
30 |
GBT6171-M20X1.5 |
1型六角螺母 |
NUT |
1 |
2011-11_ |
|
31 |
FT304.31F.176A |
右球头销座 |
RIGHT BALL PIN SEAT |
1 |
|
|
4 |
GBT893.1-35 |
挡圈 |
RETAINER RING |
2 |
2011-11_ |
|
5 |
GBT9163-GE20ES |
向心关节轴承 |
BEARING |
2 |
2011-11_ |
|
6 |
FT304.31F.185 |
左护板 |
LEFT GUARD PLATE |
1 |
2011-11_ |
|
6.1 |
FT304.31F.186 |
右护板 |
RIGHT GUARD PLATE |
1 |
|
|
7 |
GBT5783-M8X16 |
螺栓 |
BOLT |
4 |
2011-11_ |
|
8 |
GBT93-8 |
垫圈8 |
WASHER 8 |
4 |
2011-11_ |
|
9 |
FT304.31F.195 |
左活塞杆耳环 |
EAR RING OF LEFT PISTON ROD |
1 |
2011-11_ |
|
9.1 |
FT304.31F.196 |
右活塞杆耳环 |
RIGHT PISTON ROD EAR RING |
1 |
|

TB504.311-6 31.1.6-前驱动桥总成-6 FRONT DRIVING AXLE ASSEMBLY-6
|
标号 No. |
代号 Code |
名称 Description |
数量 Quantity |
备注 Remark |
|
|
0 |
FT304.31F.011 |
前驱动桥分总成 |
FRONT DRIVING AXLE SUB-ASSEMBLY |
1 |
2011-11_ |
|
1 |
GBT5783-M16X40-8.8-A3L |
六角头螺栓 |
BOLT |
1 |
2011-11_ |
|
10 |
FT304.31F.147 |
支撑轴 |
SHAFT |
1 |
2011-11_ |
|
11 |
GBT3452.1-58X3.55G |
液压气动用O形橡胶密封圈 |
O-SEAL RING |
1 |
2011-11_ |
|
12 |
GBT5783-M8X20-Zn.D |
螺栓 |
BOLT |
2 |
|
|
13 |
GBT93-8 |
垫圈8 |
WASHER 8 |
2 |
2011-11_ |
|
14 |
GBT7940.2-M8X1 |
油杯 |
OIL CUP |
2 |
2011-11_ |
|
15 |
GBT5783-M12X40-10.9 |
六角头螺栓全螺纹 |
BOLT |
6 |
|
|
16 |
GBT93-12 |
垫圈 |
WASHER |
18 |
2011-11_ |
|
17 |
GBT6170-M12 |
螺母 |
NUT |
12 |
2011-11_ |
|
18 |
GBT900-AM12X40-8.8-Zn.D |
螺柱 |
STUD |
12 |
2011-11_ |
|
19 |
FT304.31F.156 |
滑动轴承 |
SLIDING BEARING |
1 |
2011-11_ |
|
2 |
GBT6170-M16 |
螺母 |
NUT |
1 |
2011-11_ |
|
20 |
GBT3452.1-45X3.55G |
液压气动用O形橡胶密封圈 |
O-SEAL RING |
1 |
2011-11_ |
|
21 |
FT304.31F.155 |
后支撑轴座 |
REAR SUPPORTING SHAFT SEAT |
1 |
2011-11_ |
|
3 |
FT304.31F.025 |
密封垫 |
SEAL GASKET |
1 |
2011-11_ |
|
4 |
FT304.31F.149 |
前支撑轴座 |
FRONT SUPPORT SHAFT SEAT |
1 |
2011-11_ |
|
5 |
FT304.31F.150 |
垫片 |
WASHER |
1 |
2011-11_ |
|
6 |
FT304.31F.148 |
滑动轴承 |
SLIDING BEARING |
1 |
2011-11_ |
|
7 |
GBT7940.1-M8X1 |
油杯 |
OIL CUP |
2 |
2011-11_ |
|
8 |
GBT3452.1-47.5X3.55G |
液压气动用O形橡胶密封圈 |
O-SEAL RING |
1 |
2011-11_ |
|
9 |
FT304.31F.024 |
连接销 |
CONNECTING PIN |
2 |
2011-11_ |

TB554.312 31.2-前托架总成 31.2-FRONT BRACKET ASSEMBLY
|
标号 No. |
代号 Code |
名称 Description |
数量 Quantity |
备注 Remark |
|
|
1 2 3 |
GBT5782-M16X110-10.9-A2L GBT93-16-A0P TB554.312-01 |
六角头螺栓弹簧垫圈 前托架 |
BOLT SPRING WASHER FRONT BRACKET |
6 6 1 |
2011-11_ 2011-11_ 2011-11_ |

FT404.32F.001 32-前驱动轮总成 32-FRONT DRIVING WHEEL ASSEMBLY
|
标号 No. |
代号 Code |
名称 Description |
数量 Quantity |
备注 Remark |
|
|
1 2 3 |
GBT2979-8.3-20-6PR-PR GBT2979-8.3-20-R FT404.32F.011 |
拖拉机驱动轮水田专用斜交结构外胎拖拉机驱动轮内胎 轮辋焊合 |
DRIVING WHEEL OUTER TUBE DRIVING WHEEL INNER TUBE WHEEL RIM WELD |
1 1 1 |
2013-02_ 2011-11_ |

FT400.34F.001 34-后驱动轮总成 34-REAR DRIVE WHEEL ASSEMBLY
|
标号 No. |
代号 Code |
名称 Description |
数量 Quantity |
备注 Remark |
|
|
1 |
GBT2979-12.4-28-8PR-R |
拖拉机驱动轮普通断面斜交结构外胎 |
DRIVING WHEEL OUTER TUBE |
1 |
2011-11_ |
|
2 |
GBT2979-12.4-28-R |
拖拉机驱动轮内胎 |
DRIVING WHEEL INNER TUBE |
1 |
2011-11_ |
|
2 |
GBT2979-12.4-28-R |
拖拉机驱动轮内胎 |
DRIVING WHEEL INNER TUBE |
1 |
2011-11_ |
|
3 |
FT400.34F.011 |
轮辋总成 |
RIM ASSEMBLY |
1 |
2011-11_ |
|
3.1 |
GBT6171-M16X1.5-A3L |
1型六角螺母 |
NUT |
6 |
2011-11_ |
|
3.2 |
FT300.34.106 |
垫圈 |
WASHER |
6 |
2011-11_ |
|
3.3 |
FT400.34F.012 |
轮辋焊合 |
WHEEL RIM WELD |
1 |
2011-11_ |
|
3.4 |
FT400.34.103b |
轮辐 |
SPOKE |
1 |
2011-11_ |
|
3.5 |
FT300.34.102 |
轮辋螺栓 |
RIM BOLT |
6 |
2011-11_ |

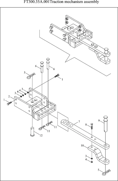
FT300.35A.001 35-牵引机构总成 35-TOWING MECHANISM ASSEMBLY
|
标号 No. |
代号 Code |
名称 Description |
数量 Quantity |
备注 Remark |
|
|
1 |
GBT5783-M16×60-A3L |
螺栓 |
BOLT |
8 |
2010-11_ |
|
10 |
FT300.35A.101 |
连接摆杆 |
CONNECTING SWING ROD |
1 |
2010-11_ |
|
11 |
FT300.35A.131 |
锁销 |
PIN |
2 |
2010-11_ |
|
12 |
FT300.35A.103 |
连接销 |
CONNECTING PIN |
1 |
2010-11_ |
|
2 |
FT300.35A.012 |
牵引架焊合 |
TRACTION FRAME |
1 |
2004-01_ |
|
2 |
FT300.35A.012a |
牵引架焊合 |
TRACTION FRAME |
1 |
2010-11_ |
|
3 |
GBT93-16-A0P |
弹簧垫圈 |
SPRING WASHER |
10 |
2012-02_ |
|
4 |
GBT6170-M16-A3L |
螺母 M16-A3L |
NUT |
10 |
2010-11_ |
|
5 |
FT65.53.103 |
弹性锁销 |
SPRING LOCK PIN |
2 |
2010-11_ |
|
6 |
FT300.35A.104 |
定位销 |
THIMBLE |
2 |
2010-11_ |
|
7 |
FT300.35A.102 |
摆杆 |
UPPER PART U-HOOK |
1 |
2010-11_ |
|
8 |
TB400.35.1-03 |
螺栓 |
BOLT |
2 |
2010-11_ |
|
9 |
FT300.35A.105 |
摆销 |
SWING PIN |
1 |
2010-11_ |

TB400.371B 37.1-变速箱壳体总成 37.1-GEARBOX HOUSING ASSEMBLY
|
标号 No. |
代号 Code |
名称 Description |
数量 Quantity |
备注 Remark |
|
|
1 |
FT300.37.101b |
变速箱壳体 |
GEAR BOX |
1 |
2006-12_ |
|
1 |
TB400.371E-01 |
变速箱壳体 |
GEAR BOX |
1 |
2007-12_ |
|
1 |
FT300.37.101b |
变速箱壳体 |
GEAR BOX |
1 |
2006-12_ |
|
10 |
TB550.371-01 |
螺栓 |
BOLT |
3 |
2006-12_ |
|
11 |
GBT5782-M12X110-A2L |
螺栓 |
BOLT |
1 |
|
|
12 |
GBT119.1-12m6X22-A0P |
圆柱销 |
PIN |
1 |
2011-11_ |
|
13 |
GBT6170-M12-A3L |
螺母 |
NUT |
3 |
2011-11_ |
|
14 |
GBT5783-M12X40-A3L |
螺栓 |
BOLT |
1 |
|
|
15 |
GBT5783-M12X35-A3L |
螺栓 |
BOLT |
4 |
2011-11_ |
|
15 |
GBT5783-M12X35-A3L |
螺栓 |
BOLT |
4 |
2011-11_ |
|
2 |
GBT6171-M12X1.5-A3L |
1型六角螺母 |
NUT |
10 |
|
|
3 |
GBT93-12-A0P |
弹簧垫圈 |
SPRING WASHER |
24 |
2011-11_ |
|
4 |
GBT899-AM12-M12X1.5X35-8.8-A3L |
双头螺柱 |
8.8-A3L STUD |
10 |
2011-11_ |
|
5 |
FT300.37.158 |
踏板轴衬套 |
PEDAL SHAFT BUSH |
2 |
2011-11_ |
|
6 |
JBT7940.1-M10X1 |
直通式压注油杯 |
STRAIGHT PRESSURE FILLING OIL CUP |
2 |
2011-11_ |
|
7 |
FT300.37.159 |
分离叉轴衬套 |
RELEASE FORK SHAFT BUSH |
2 |
2011-11_ |
|
8 |
GBT91-6.3X40-A0P |
开口销 |
PIN |
1 |
2011-11_ |
|
9 |
GBT119.1-12m6X30-A0P |
圆柱销 |
PIN |
3 |
2011-11_ |
|
9 |
GBT119.1-12m6X30-A0P |
圆柱销 |
PIN |
3 |
2011-11_ |

