CP(Q)YD20-25-30-35 -M1H Parts List B
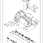
G2KE4-30001 01 后轮总成 Rear wheel ass’y23654-43011G 01 外轮辋 Rim,outsideB5050-00012 00 垫圈12 Washer,lockB4123-00012 00 螺母M12 NutG27Z4-32101 01 轮辋螺栓 Bolt23654-43001G 01 内轮辋 Rim,insideZ3003-60009 00 轮胎6.00-9-10PR TireZ3300-60009 00 轮胎6.00-9 TireZ3300-60009B 00 无痕迹轮胎6.00-9 No-marking tirePart No. EditiontimeGY2Y4-30001 02 后轮总成 Rear wheel ass’yH24N4-32011 01 外轮辋 … Continue reading →





