YTO LX604/LX654/LX704/LX754/LX804/LX904 Tractor Parts Catalogue 16

|
序号 No. |
零件名称 Part |
零件代号 DrawingNo. |
数量 Qty. |
序号 No. |
零件名称 Part |
零件代号 DrawingNo. |
数量 Qty. |
|
1 |
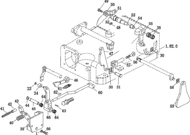
垫圈 8 螺母 M8双头螺柱 扇形板隔套 操纵扇形板弹簧罩弹 簧 弹 簧 摩擦衬盘摩擦衬盘 螺栓 M8×25 操纵杠杆支座 螺旋弹性销 4×24 O 形密封圈 10.82×1.78 堵 塞 矩形截面密封圈 22×28×1.5 升-中立-降操纵杆 力调节杠杆轮毂合件位调节杠杆轮毂合件 |
GB/T7244-1987 |
8 |
19 |
自锁螺母 M10×1.25 O 形密封圈 21.89×2.62 力调节操纵轴 键 4×14 挡圈 8滚 轮销 杠杆臂弹簧控制阀拉杆球头螺栓 螺母 M10×1.25 弹簧卡片 8 销销 杠杆臂总成操纵杆 滚针轴承 14×20×12 力调节杆衬套 键 5×10 |
12575614/10125 |
1 |
|
2 |
GB/T6170-2000 |
3 |
20 |
14457681/14618 |
1 |
||
|
3 |
13544324/10219 |
3 |
|||||
|
4 |
5117204/1.85.515 |
3 |
21 |
5129388/1.82.550 |
1 |
||
|
5 |
5129672/1.82.519 |
1 |
22 |
GB 1096-76 |
1 |
||
|
6 |
4973370/1.82.513 |
1 |
23 |
GB/T894.1-1986 |
3 |
||
|
7 |
4952761/1.82.511 |
1 |
24 |
5111028/1.82.562 |
3 |
||
|
8 |
5153008/1.82.508A |
2 |
25 |
5011775/1.82.532 |
1 |
||
|
9 |
5153007/1.82.508 |
1 |
26 |
5148884/1.82.588 |
1 |
||
|
10 |
GB/T5783-2000 |
3 |
27 |
5120281/1.82.586 |
1 |
||
|
11 |
5129377SZ/1.82.517 |
1 |
28 |
5120282/1.82.587 |
1 |
||
|
12 |
13938070/12216 |
1 |
29 |
GB/T6173-2000 |
1 |
||
|
13 |
14453081/14618 |
2 |
30 |
11064076/12252 |
3 |
||
|
31 |
5117161/1.82.557 |
1 |
|||||
|
14 |
5129399/1.82.544 |
1 |
32 |
5117136/1.82.561 |
1 |
||
|
15 |
10263460/14607 |
1 |
33 |
5117135/1.82.541 |
1 |
||
|
34 |
5120291/1.82.541 |
1 |
|||||
|
16 |
5129393/1.82.542 |
1 |
35 |
5109160/1.82.536 |
4 |
||
|
17 |
5129376/1.82.502 |
1 |
36 |
5116251/1.82.543 |
1 |
||
|
18 |
5129374/1.82.518A |
1 |
37 |
GB 1096-79 |
1 |
|
序号 No. |
零件名称 Part |
零件代号 DrawingNo. |
数量 Qty. |
序号 No. |
零件名称 Part |
零件代号 DrawingNo. |
数量 Qty. |
|
38 |
曲柄轴 杠杆支座弹 簧 限位调节螺栓 M8×1.25×55 限位调节螺管 M8×1.25×20 前限位块挡圈 12销 升-中立-降凸轮 力调节凸轮 螺钉 M8×12 螺栓 M10×1.25×18 垫片 10 力调节内杠杆轴夹头 |
5129386/1.82.506 |
1 |
52 |
O 形密封圈 15.54×2.62 内杠杆轴 力调节杠杆衬套 内杠杆总成 力调节后操纵杆力调节拉杆叉 弹簧卡片 位调节凸轮限位杆 弹 簧 弹性圆柱销 3×22 弹性圆柱销 4×20 滚针轴承 12×16×10主控制阀操纵杆总成螺栓 M8×20 |
14457281/14618 |
1 |
|
39 |
5129400/1.82.531 |
1 |
|||||
|
40 |
4959139/1.63.807 |
1 |
53 |
5135221/1.82.533 |
1 |
||
|
41 |
5121522/1.82.540 |
1 |
54 |
5135219/1.82.546 |
1 |
||
|
55 |
5117151/1.82.535 |
1 |
|||||
|
42 |
5121523/1.82.540A |
1 |
56 |
885136355/1.82.548A |
1 |
||
|
57 |
885136356/1.82.548 |
1 |
|||||
|
43 |
885120284/1.82.539A |
1 |
58 |
11064176/12252 |
1 |
||
|
44 |
13397576/12248 |
1 |
59 |
5117143/1.82.522 |
1 |
||
|
45 |
5117156/1.82.530 |
1 |
60 |
5120285/1.82.538 |
1 |
||
|
46 |
5129396/1.82.527 |
1 |
61 |
4973650/1.82.563 |
1 |
||
|
47 |
5122497/1.82.524 |
1 |
62 |
BZ/JHX-SZ |
1 |
||
|
48 |
GB 71-85 |
1 |
63 |
BZ/JHX-SZ |
1 |
||
|
49 |
GB/T5786-2000 |
1 |
64 |
5117138/1.82.537 |
2 |
||
|
50 |
14198800/10182 |
1 |
65 |
5126220/1.82.512 |
1 |
||
|
51 |
5135220/1.82.515A |
1 |
66 |
GB 30-76 |
2 |

|
序号 No. |
零件名称 Part |
零件代号 DrawingNo. |
数量 Qty. |
序号 No. |
零件名称 Part |
零件代号 DrawingNo. |
数量 Qty. |
|
1 2 3 4 5
7 8
9 10 11 12 13 |
销轴合件 双作用液压油缸总成 隔 套 螺栓 M10×1.25X25 垫圈 10
带衬套的支架总成螺栓 M12×1.25×35 -10.9 垫圈 12 螺栓 M14×1.5×30 垫圈 14 提升轴垫圈 左提升臂总成 |
SZ1204.58E.021 SZ1204.55E.018 ME700.55.103 GB/T5786-2000 GB/T93-1987
ME700.55.012A GB/T5786-2000
GB/T93-1987 GB/T5786-2000 GB/T93-1987 5122898/1.82.817 ME700.55.014 |
1 1 1 1 1
1 11
11 2 2 2 1 |
14 15 16 17 18 19 20 21 22 23 24 25 |
提升轴左隔套 油杯 M10×1 螺栓 M10×1.25×16 垫圈 10顶杆销 内提升臂定位螺栓提升轴 提升轴右隔套右提升臂总成提升器纵贴条防尘套 |
ME700.55.106 GB/T1152-1987 GB/T5786-2000 GB/T854-1988 5122356/1.82.813 ME700.55.105-1 5117190/1.82.819 5117187/1.82.808 ME700.55.104 5123959/1.82.811A ME700.55.121-1 ME700.55.150 |
1 2 1 1 1 1 1 1 1 1 1 1 |


|
序号 No. |
零件名称 Part |
零件代号 DrawingNo. |
数量 Qty. |
序号 No. |
零件名称 Part |
零件代号 DrawingNo. |
数量 Qty. |
|
1 |
快换接头支座总成 |
SZ804.56.024-1 |
1 |
12 |
下拉杆支承座合件 |
SZ804.56.020-1 |
1 |
|
2 |
销 3.2×22 |
GB 91-85 |
1 |
13 |
螺栓 M16×1.5×45 |
GB/T5785-2000 |
3 |
|
3 |
垫圈 12 |
GB/T97.1-2002 |
1 |
14 |
螺栓 M10×1.5×55 |
GB/T5785-2000 |
2 |
|
4 |
斜撑钩止动弹簧 |
5140549/1.82.067 |
1 |
||||
|
5 |
上拉杆挂钩合件 |
SZ804.56.026 |
1 |
15 |
螺母 M10×1.25-Zn·D |
GB889.2-86 |
2 |
|
6 |
上拉杆前连接销总成 |
5120672/1.89.669 |
1 |
16 |
下拉杆挡圈 |
SZ804.56.113 |
2 |
|
7 |
开口销 |
44007661/1.82.945 |
5 |
17 |
左右提升杆上连接销 |
5130456/1.89.657 |
2 |
|
8 |
上拉杆总成 |
SZ804.56.011 |
1 |
18 |
提升杆总成 |
SZ804.56.013-2 |
2 |
|
8.1 |
上拉杆前螺杆总成 |
5143009/1.89.661A |
1 |
18.1 |
提升杆上连接叉 |
SZ804.56.114A |
2 |
|
8.2 |
螺母 M30-Zn.D |
GB/T6170-2000 |
1 |
18.2 |
左右提升杆上连接销 |
5130643/1.89.657 |
2 |
|
8.3 |
上拉杆调节螺管总成 |
SZ804.56.018A |
1 |
18.3 |
提升杆中连接叉 |
SZ804.56.104 |
2 |
|
8.4 |
上拉杆后螺杆总成 |
5143010/1.89.662A |
1 |
18.4 |
螺母 M30-Zn·D |
GB/T6170-2000 |
2 |
|
9 |
上拉杆后销 |
822483/1.82.967 |
1 |
18.5 |
提升杆调节螺管总成 |
SZ804.56.016 |
2 |
|
10 |
锁销总成 |
4967704/1.82.941A |
1 |
18.6 |
提升杆下连接叉 |
SZ804.56.038 |
2 |
|
11 |
右下拉杆总成 |
SZ804.56.031 |
1 |
19 |
定位销 B15×22 |
5119529/1.21.071 |
2 |
|
11.1 |
左下拉杆总成 |
SZ804.56.030 |
1 |
20 |
螺栓 M16×1.5×65 |
GB/T5785-2000 |
4 |

|
序号 No. |
零件名称 Part |
零件代号 DrawingNo. |
数量 Qty. |
序号 No. |
零件名称 Part |
零件代号 DrawingNo. |
数量 Qty. |
|
1 2 3 4 5 5.1 5.2 5.3 5.4 5.5 5.6 6 7 |
限位杆支座 螺栓M18×1.5×50-Zn·D 限位杆前销销 6.3×40 限位杆总成 限位杆前段总成限位杆锁销总成限位杆套管总成限位杆后销 限位杆后段 限位杆后销合件 开尾锁紧销 提升杆下销垫圈 28.5×45×4 |
SZ804.56.118 GB/T5786-2000 5125861/1.89.955 GB91-86 SZ804.56.014 5103858/1.89.950A 5103862/1.89.959A SZ804.56.015 5103861/1.89.956 5103856/1.89.951 5123274/1.89.958A 567406/1.82.945 562106/1.89.962 |
2 6 2 4 2 2 2 2 2 2 2 2 2 |




