YTO LX604/LX654/LX704/LX754/LX804/LX904 Tractor Parts Catalogue 15

|
序号 No. |
零件名称 Part |
零件代号 DrawingNo. |
数量 Qty. |
序号 No. |
零件名称 Part |
零件代号 DrawingNo. |
数量 Qty. |
|
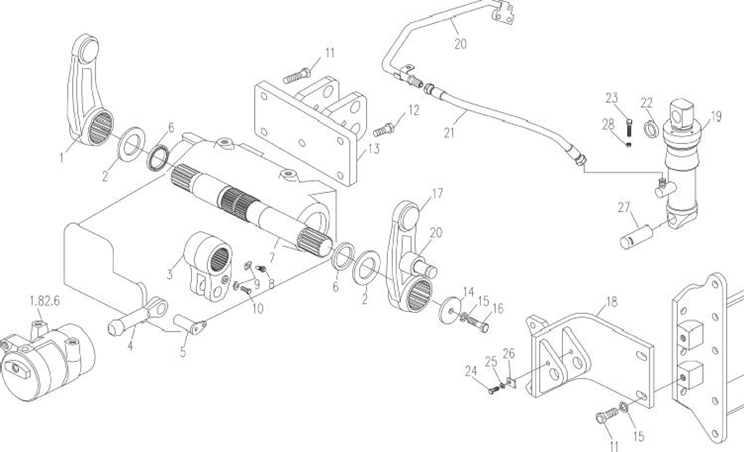
1 |
右提升臂总成 |
1.82.811A/5123959 |
1 |
18 |
辅助油缸支座总成 |
SZ904.55.010① |
1 |
|
2 |
提升轴垫圈 |
885111082/1.82.818 |
2 |
8808082051/1.82② |
1 |
||
|
3 |
内提升臂总成 |
SZ804.55.083 |
1 |
19 |
辅助油缸总成 |
SZ804.55.081 |
1 |
|
4 |
活塞杆 |
5121221SZ/1.82.812 |
1 |
20 |
辅助油缸油管 |
5133117/1.82.193A |
1 |
|
5 |
顶杆销 |
5122356/1.82.813 |
1 |
21 |
到油缸的输油软管 |
5126672/1.63.566 |
1 |
|
6 |
提升轴油封 55×70×8 |
5105903/1.82.821 |
2 |
22 |
辅助油缸枢轴套 |
1204.55.116 |
1 |
|
7 |
提升轴 |
5117187/1.82.808 |
1 |
23 |
螺栓 M8X×50-Zn.D |
GB5782-86 |
1 |
|
8 |
定位螺栓 |
5117190/1.82.819 |
1 |
24 |
螺栓 M10×1.25×16 |
GB5786-86 |
1 |
|
9 |
垫圈 10 |
GB 854-88 |
2 |
25 |
锁片 10 |
14198801/10188 |
1 |
|
10 |
螺栓 M10×1.25×16 |
GB/T5786-2000 |
1 |
26 |
紧固垫片 |
44002815/1.32.032 |
1 |
|
11 |
螺栓 M14×1.5×40 |
GB/T5786-2000 |
4 |
27 |
辅助油缸销 |
8851010297/1.82.191 |
1 |
|
12 |
螺栓 M14×1.5×35 |
GB/T5786-2000 |
1 |
28 |
螺母 M8 |
GB6185.1-87 |
1 |
|
13 |
上拉杆支座焊合件 |
SZ804.55.020 |
1 |
||||
|
14 |
提升轴垫圈 |
5122898/1.82.817 |
2 |
||||
|
15 |
垫圈 14 |
GB 93-86 |
2 |
||||
|
16 |
螺栓 M14×1.5×30 |
GB/T5786-2000 |
2 |
||||
|
17 |
左提升臂总成 |
1.82/8B08082053 |
1 |
注:①为 LX904 用。②LX704/LX754/LX804/L854 用。


|
序号 No. |
零件名称 Part |
零件代号 DrawingNo. |
数量 Qty. |
序号 No. |
零件名称 Part |
零件代号 DrawingNo. |
数量 Qty. |
|
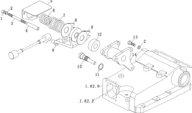
1 |
位调节杠杆手柄头 |
SZ900.55.102 |
1 |
14 |
螺母 M8 |
GB/T 6170-2000 |
4 |
|
2 |
位调节杠杆 |
5135057/1.82.214 |
1 |
15 |
提升器操纵拉杆 |
SZ804.55.505 |
2 |
|
3 |
挡圈 21 |
11066976/12245 |
4 |
16 |
螺栓 M6×1×16 |
GB/T5783-2000 |
2 |
|
4 |
杠杆销轴隔套 |
5127167/1.82.255B |
2 |
17 |
球套座 |
4998311/1.80.255 |
2 |
|
5 |
杠杆衬套 |
5126032/1.82.262 |
1 |
18 |
球 套 |
5109058/1.80.254 |
1 |
|
6 |
杠杆轴厚垫片 |
5126195/1.82.255A |
2 |
19 |
垫圈 6 |
GB/T7244-1987 |
3 |
|
7 |
杠杆隔套 |
5126443/1.82.216 |
4 |
20 |
螺母 M6 |
GB/T6170-2000 |
4 |
|
8 |
杠杆销 |
5126024/1.82.254 |
1 |
21 |
调节阀手柄头 |
5144119/1.82.276 |
1 |
|
9 |
螺栓 M8×22 |
GB/T5783-2000 |
4 |
22 |
销 4×32 |
14164470/12213 |
1 |
|
10 |
垫圈 8 |
GB/T7244-1987 |
4 |
23 |
下降阀调节拉杆 |
5144120/1.82.282 |
1 |
|
11 |
螺母 M8 |
GB/T6170-2000 |
4 |
24 |
弹簧销 |
889960079/1.82.283 |
1 |
|
12 |
夹头 13 |
10125574/13130/03 |
4 |
25 |
万向节总成 |
885134039/1.82.283 |
1 |
|
13 |
球面连接盖 |
10124514/13130/01 |
4 |

|
序号 No. |
零件名称 Part |
零件代号 DrawingNo. |
数量 Qty. |
序号 No. |
零件名称 Part |
零件代号 DrawingNo. |
数量 Qty. |
|
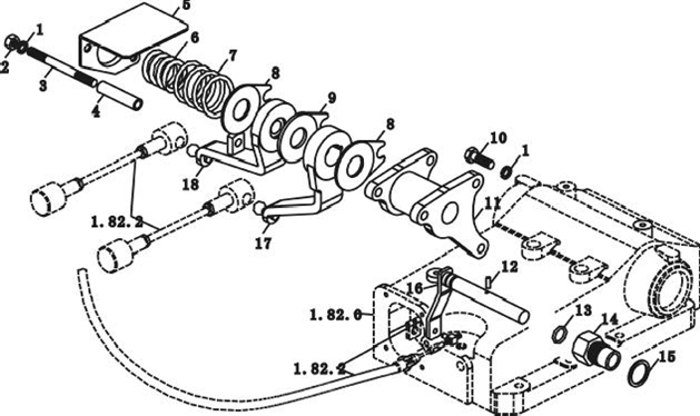
1 |
操纵杆支座盖板 |
SZ804.55.517 |
1 |
||||
|
2 |
操纵软轴总成 |
5134377/1.82.296 |
1 |
||||
|
3 |
快速升降支座合件 |
SZ804.55.053 |
1 |
||||
|
4 |
液压快速升降操纵推杆 |
5128641/1.10.064 |
1 |
||||
|
按钮 |
|||||||
|
5 |
液压快速升降操纵杆拉 |
5128638/1.10.067 |
1 |
||||
|
簧 |
|||||||
|
6 |
液压快速升降操纵杆 |
1604.20.016-1 |
1 |
||||
|
焊合件 |
|||||||
|
7 |
液压快速升降操纵杆销 |
5128637/1.10.066 |
2 |
||||
|
8 |
挡圈 6 |
GB/T894.1-1986 |
4 |
||||
|
9 |
快速升降手柄头 |
SZ804.55.507 |
1 |
||||
|
10 |
螺钉 M5×35 |
GB 818-2000 |
4 |
||||
|
11 |
螺母 M5 |
GB/T6170-2000 |
4 |
||||
|
12 |
夹头 D=5 |
11063876/12252 |
1 |
||||
|
13 |
快速升降防溅罩 |
SZ804.55.518 |
1 |
||||
|
14 |
挡圈 5 |
GB/T896-1986 |
1 |



|
序号 No. |
零件名称 Part |
零件代号 DrawingNo. |
数量 Qty. |
序号 No. |
零件名称 Part |
零件代号 DrawingNo. |
数量 Qty. |
|
1 |
螺母 M8垫圈 8 双头螺柱 扇形板隔套 操纵扇形板弹簧罩弹 簧 弹 簧 摩擦衬盘 位调节杠杆轮毂合件螺 杆 矩形密封圈 2×28×1.5 垫 片 螺栓 M8×25 操纵杠杆支座 螺母 M10×1.25 O 形密封圈 21.89×2.62 键 4×14 位调节曲柄轴合件 |
GB/T6170-2000 |
3 |
19 |
挡圈 8 销 滚 轮 杠杆臂总成 滚针轴承 14×20×12 力调节杆衬套销 杠杆臂弹簧操纵杆 弹簧卡片 8 控制阀拉杆 螺母 M10×1.25 球头螺栓杠杆支座弹 簧 限位调节螺栓 M8×1.25×55 限位调节螺管 M8×1.25×20 前限位块 |
GB/T894.1-1986 |
3 |
|
2 |
GB/T7244-1987 |
8 |
20 |
5117136/1.82.561 |
1 |
||
|
3 |
13544324/10219 |
3 |
21 |
5111028/1.82.562 |
3 |
||
|
4 |
5117204/1.82.515 |
3 |
22 |
5117135/1.82.541 |
1 |
||
|
5 |
5129372/1.82.519 |
1 |
23 |
5109160/1.82.536 |
4 |
||
|
6 |
4973370/1.82.513 |
1 |
24 |
5116251/1.82.543 |
1 |
||
|
7 |
4952761/1.82.511 |
1 |
25 |
5011775/1.82.532 |
1 |
||
|
8 |
5153008/1.82.508A |
2 |
26 |
5148884/1.82.588 |
1 |
||
|
9 |
5129374/1.82.518A |
1 |
27 |
5120291/1.82.541 |
1 |
||
|
10 |
SZ804.55.502 |
1 |
28 |
11064076/12252 |
3 |
||
|
11 |
10263460/14607 |
1 |
29 |
5120281/1.82.586 |
1 |
||
|
30 |
GB/T6173-2000 |
1 |
|||||
|
12 |
SZ804.55.501 |
1 |
31 |
5120282/1.82.587 |
1 |
||
|
13 |
GB/T5783-2000 |
3 |
32 |
5129400/1.82.531 |
1 |
||
|
14 |
5129377SZ/1.82.517 |
1 |
33 |
4959139/1.63.807 |
1 |
||
|
15 |
12575614/10145 |
1 |
34 |
5121522/1.82.540 |
1 |
||
|
16 |
14457681/14618 |
1 |
|||||
|
35 |
5121523/1.82.540A |
1 |
|||||
|
17 |
GB 1096-76 |
1 |
|||||
|
18 |
SZ804.55.051 |
1 |
36 |
885120284/1.82.539A |
1 |
|
序号 No. |
零件名称 Part |
零件代号 DrawingNo. |
数量 Qty. |
序号 No. |
零件名称 Part |
零件代号 DrawingNo. |
数量 Qty. |
|
37 |
挡圈 12 |
13397576/12248 |
1 |
||||
|
38 |
销 |
5117156/1.82.530 |
1 |
||||
|
39 |
滚针轴承 12×16×10 |
5117138/1.82.537 |
2 |
||||
|
40 |
主控制阀操纵杆总成 |
5126220/1.82.512 |
1 |
||||
|
41 |
弹性圆柱销 3×22 |
BZ/JHX-SZ |
1 |
||||
|
42 |
弹性圆柱销 4×20 |
BZ/JHX-SZ |
1 |
||||
|
43 |
弹 簧 |
4973650/1.82.563 |
1 |
||||
|
44 |
限位杆 |
5120285/1.82.538 |
1 |
||||
|
45 |
位调节凸轮 |
5117143/1.82.522 |
1 |
||||
|
46 |
弹簧卡片 |
11064176/12252 |
1 |


